Книга Электроника для начинающих, страница 41 – Паоло Аливерти

Авторы: А Б В Г Д Е Ж З И Й К Л М Н О П Р С Т У Ф Х Ч Ш Ы Э Ю Я
Книги: А Б В Г Д Е Ж З И Й К Л М Н О П Р С Т У Ф Х Ц Ч Ш Щ Ы Э Ю Я
Бесплатная онлайн библиотека LoveRead.in

Онлайн книга «Электроника для начинающих»

📃 Cтраница 41

Выходной сигнал вычисляется по следующей формуле, где мы наблюдаем, что коэффициент усиления равен соотношению между двумя резисторами:


Иллюстрация к книге — Электроника для начинающих [i_214.jpg]

Если R1 равен 1кОм и R2 равен 10кОм, коэффициент усиления будет равен -10. Очень просто!

Иллюстрация к книге — Электроника для начинающих [i_215.jpg]

Рис. 6.7. Инвертирующий усилитель, реализованный на макетной плате


Если мы хотим использовать этот усилитель для усиления переменных сигналов, таких как аудио сигнал, поступающий от микрофона, нам нужно изолировать его, подключив один электролитический конденсатор на 10 или 50 мкФ на его вход и один на выход. Конденсаторы блокируют постоянные токи и пропускают только переменные сигналы, изолируя, по сути, усилитель.

Используются некоторые меры предосторожности, во избежание нестабильного поведения, например, подключив конденсатор на 100 нФ между выводами питания и заземлением. Конденсатор должен располагаться как можно ближе к выводам.

Неинвертирующий усилитель

Немного изменив предыдущую схему, мы реализуем неинвертирующий усилитель, в котором выходной сигнал имеет тот же знак, что и входной. Подсоединим R1 между землей и инвертирующим входом и подадим входной сигнал непосредственно на неинвертирующий вход операционного усилителя.

Иллюстрация к книге — Электроника для начинающих [i_216.jpg]

Рис. 6.8. Электрическая схема неинвертирующего усилителя


Для этой конфигурации коэффициент усиления равен отношению между двумя резисторами плюс один. Выходное напряжение может быть рассчитано по формуле:


Иллюстрация к книге — Электроника для начинающих [i_217.jpg]

Имея напряжение R1 равное 1кОм и R2 равное 10кОм, коэффициент усиления будет равен 11.

Иллюстрация к книге — Электроника для начинающих [i_218.jpg]

Рис. 6.9. Неинвертирующий усилитель, реализованный на макетной плате

Буферный усилитель

Что произойдет, если мы соединим выход непосредственно с инвертирующим входом? Мы имеем усилитель с коэффициентом усиления один. Зачем нужен усилитель, который не усиливает? Этот тип усилителя также называется буфером, он является очень полезным инструментом, поскольку служит в качестве изолятора: использует высокий входной импеданс для предотвращения рассеивания или поглощения очень слабых сигналов и выводит их к выходу, который может обеспечить наиболее высокие токи.

Иллюстрация к книге — Электроника для начинающих [i_216.jpg]

Рис. 6.10. Схема буферного усилителя с единичным усилением


Чтобы понять принцип его действия, мы должны учитывать погрешность сигнала, то есть разность между сигналом, подаваемым на неинвертирующий вход (U+), и инверсным входным сигналом (U). Выходной сигнал подается на вход, и если оба сигнала должны быть равны, то разница между U+ и U должна равняться нулю.


U+ – U = 0


Наблюдая схему, мы можем видеть, что U+ равно входному сигналу Ubxи U– равно выходному сигналу Uвых. Тогда мы можем переписать формулу следующим образом:


Ubx – Uвых = 0,


а затем, убедиться, что входной и выходной сигнал идентичны:


Ubx = Uвых

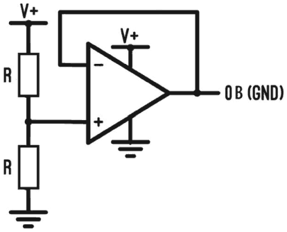
Генератор массы
Иллюстрация к книге — Электроника для начинающих [i_219.jpg]

Рис. 6.11. Электрическая схема генератора массы, состоящего из делителя напряжения и буфера


Операционные усилители требуют двойного питания. Мы можем использовать две батареи, соединенные последовательно, с напряжением 0 В в точкеих соединения друг с другом. Если у нас есть один источник питания, мы также можем использовать делитель напряжения с двумя резисторами со значениями в несколько десятков килоом. Делители однако не гарантируют стабильное напряжение, оно может изменяться в зависимости от подключения других компонентов.

С операционным усилителем, построенным по принципу буфера, мы можем «защитить» делитель и создать напряжение 0 В, соответствующее напряжению на входе. Операционный усилитель не поглощает ток от делителя напряжения, сохраняя тем самым падение напряжения, которое мы находим на резисторах.

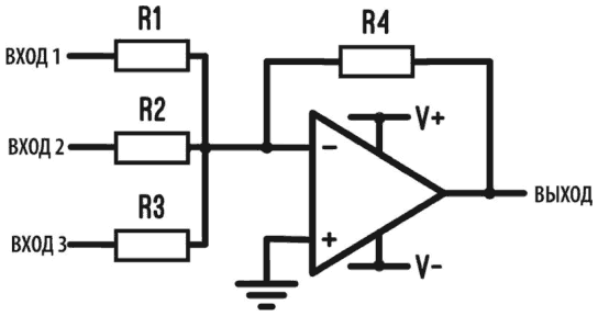
Смеситель

Смеситель представляет собой прибор, суммирующий сигналы. Мы можем изготовить его с помощью операционного усилителя инвертирующего типа, добавив столько входных резисторов, сколько сигналов хотим суммировать. Входные резисторы могут быть также переменного типа (триммер или потенциометр), чтобы иметь возможность изменять коэффициент усиления каждого входного сигнала. Каждый входной сигнал имеет свой собственный независимый коэффициент усиления, и выходной сигнал может быть рассчитан по следующей формуле:


Иллюстрация к книге — Электроника для начинающих [i_220.jpg]
Иллюстрация к книге — Электроника для начинающих [i_221.jpg]

Рис. 6.12. Электрическая схема смесителя сигналов, реализованного с помощью операционного усилителя

Интегратор

Что произойдет, если в инвертирующем усилителе резистор между входом и выходом заменить конденсатором? Мы создадим особую цепь, которая называется интегратором и может быть использована для вычисления площади сигнала. Наиболее практичным и непосредственным применением этого устройства является его использование для преобразования формы сигнала из прямоугольной в треугольную. Параллельно с конденсатором необходимо добавить резистор на несколько МОм, поскольку в противном случае выходной сигнал имеет тенденцию постепенно отклоняться от уровня 0 В. Необходимо добавить резистор между неинвертирующим входом и землей, чтобы улучшить стабильность интегратора. Сопротивление должно иметь значение, равное эквивалентному сопротивлению параллельного соединения сопротивления R и сопротивления, параллельного конденсатору.

Вход
Поиск по сайту
Ищем:
Календарь