Книга Электроника для начинающих, страница 44 – Паоло Аливерти

Авторы: А Б В Г Д Е Ж З И Й К Л М Н О П Р С Т У Ф Х Ч Ш Ы Э Ю Я
Книги: А Б В Г Д Е Ж З И Й К Л М Н О П Р С Т У Ф Х Ц Ч Ш Щ Ы Э Ю Я
Бесплатная онлайн библиотека LoveRead.in

Онлайн книга «Электроника для начинающих»

📃 Cтраница 44

Полосовой фильтр состоит из трех компонентов: резистора, конденсатора и катушки. В данном случае мы не говорим о частоте среза, но о центральной частоте фильтра. Часто, говоря об этом типе фильтров, мы также используем параметр, называемый Q, или добротность фильтра, который говорит нам о величине диапазона пропускания: чем выше значение Q, тем уже диапазон пропускания.


Иллюстрация к книге — Электроника для начинающих [i_237.jpg]

Этот тип фильтра также может быть реализован путем последовательного объединения фильтра низких частот с фильтром высоких частот. С помощью двух фильтров пассивного типа уровень сигнала будет ослаблен.

Иллюстрация к книге — Электроника для начинающих [i_238.jpg]

Рис. 6.24. Схема полосового фильтра

Заграждающий фильтр

Заграждающий фильтр, в отличие от полосового фильтра, наоборот удаляет определенную частоту и передает все остальные. Вы можете построить фильтр такого типа с помощью резистора и катушки, последовательно соединенной с конденсатором. Для вычисления частоты используется формула:


Иллюстрация к книге — Электроника для начинающих [i_237.jpg]
Иллюстрация к книге — Электроника для начинающих [i_239.jpg]

Рис. 6.25. Схема заграждающего фильтра

Модуляторы и демодуляторы

Простой сигнал, как тот, который мы можем получить на выходе из микрофона, занимает определенный диапазон частот, то есть имеет пропускную способность. Частота звука, производимая человеческим голосом, начинается от 0 Гц до почти 4 кГц: пропускная способность этого сигнала, таким образом, составляет около 4 кГц. К микрофону можно подключить провод, через который будет проходить сигнал до тех пор, пока достигнет передатчика или какой-либо другой цепи. Если бы мы хотели добавить второй микрофон, вероятно, проще всего было бы добавить второй провод. Если вы не можете добавить больше проводов, вам придется придумать что-то более изобретательное: так как сигнал занимает только определенный диапазон в 4 кГц, мы могли бы разместить второй сигнал чуть выше первого, так что он будет занимать диапазон частот от 4 до 8 кГц.

Иллюстрация к книге — Электроника для начинающих [i_240.jpg]

Рис. 6.26. Модулятор сочетает звуковой сигнал с носителем, то есть с высокочастотной волной


Первый сигнал называется базовым, потому что его частоты равны нулю. Второй сигнал называется модулированным сигналом. Как можно переместить сигнал от базовой полосы к более высокой частоте? Это может быть сделано с помощью модулятора, цепь, которая комбинирует микрофонный сигнал со вторым сигналом, как правило, синусоидальным сигналом с высокой частотой, который называется носителем. Это делается таким образом, чтобы низкочастотный сигнал изменял амплитуду носителя. Эта модуляция называется амплитудной модуляцией (AM). Существуют и другиетипы модуляций, наиболее известной является частотная модуляция (ЧМ), где сигнал базовой полосы изменяет частоту носителя (а не амплитуду).

Иллюстрация к книге — Электроника для начинающих [i_241.jpg]

Рис. 6.27. ЧМ-модулятор формирует сигнал с постоянной амплитудой, но с переменной частотой


Для получения исходного сигнала мы должны использовать демодулятор, то есть цепь, которая в первую очередь отделяет с помощью полосового фильтра частоты, которые мы хотим преобразовать, а затем удаляет сигнал носителя, оставив сигнал только базовой полосы. По такому принципу работает радио, но существуют и другие системы для модуляции и демодуляции сигналов, которые используются во многих других областях, например в модемах для передачи данных (слово МОДЕМ означает МОдулятор / ДЕМОдулятор), а также для аудио- и музыкальных устройств. Практические схемы для осуществления модуляций и демодуляций слишком сложны для объяснения в нескольких словах. Мы оставим эту тему для углубленного изучения.

Осцилляторы

Принцип работы генератора сигналов прост: необходим усилитель и способ вывода сгенерированного сигнала к его входу. То же самое происходит, когда ведущий, держащий в руке микрофон, опускает его рядом с динамиком, и вскорости возникает раздражающее шипение. В качестве усилителя можно использовать транзистор, операционный усилитель или цифровую схему. Очень важно, каким образом сигнал передается на вход усилителя, поэтомусигнал должен заставить усилитель колебаться, и очень важно, чтобы он располагался на входе для дополнительного стимулирования усилителя. Частота колебаний управляется посредством задержки времени, которое требуется для сигнала для возвращения ко входу.

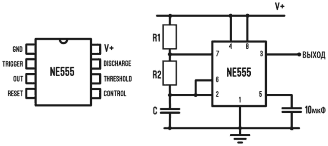
Существуют более или менее сложные осцилляторы, а также очевидно, что можно использовать чипы, предназначенные для использования в качестве простых генераторов, которые требуют только отдельных внешних компонентов для определения частоты колебаний. Чип XR2206 является генератором треугольных, синусоидальных и прямоугольных сигналов. Исторической схемой, которая используется для генерации прямоугольных сигналов, является таймер NE555, он существует в продаже с 1971 года. Это небольшой чип с 8 выводами, который может быть использован в качестве таймера (моностабильного) или в качестве генератора прямоугольных сигналов (нестабильного). В моностабильном режиме, при поступлении сигнала на вход, чип генерирует выходной сигнал и работает в довольно точно по времени. В конце заданного времени выходной сигнал возвращается к низкому уровню, пока не поступит новый сигнал. В режиме «осциллятор» или нестабильный режим, чип генерирует непрерывный сигнал. Настройка таймера осуществляется с помощью нескольких резисторов и конденсаторов. Внутри 555 есть триггер, т. е. элементарная ячейка памяти, способная хранить один бит, а также компараторы, которые используются для изменения состояния ячейки путем сравнения напряжения с заданным временем заряда и разряда конденсатора. Схема для генерирования прямоугольного сигнала представлена ниже:

Иллюстрация к книге — Электроника для начинающих [i_242.jpg]

Рис. 6.28. Назначение контактов интегральной схемы NE555 и электрическая схема для реализации простого осциллятора прямоугольного сигнала


Требуются два резистора и конденсатор, с которыми мы можем вычислить время прямоугольного сигнала:


t1 = 0,693 · (R1 + R2) · С


а также:

Вход
Поиск по сайту
Ищем:
Календарь