Книга Электроника для начинающих, страница 40 – Паоло Аливерти

Авторы: А Б В Г Д Е Ж З И Й К Л М Н О П Р С Т У Ф Х Ч Ш Ы Э Ю Я
Книги: А Б В Г Д Е Ж З И Й К Л М Н О П Р С Т У Ф Х Ц Ч Ш Щ Ы Э Ю Я
Бесплатная онлайн библиотека LoveRead.in

Онлайн книга «Электроника для начинающих»

📃 Cтраница 40

Если выходной сигнал равен двадцати входным сигналам, то коэффициент усиления составляет 20, в децибелах, мы имеем:


20 log10 (20) = 26,02 дБ


Если входной сигнал равен выходному, коэффициент усиления будет равен одному, или ноль децибел:


20 log10 (1) = 0 дБ


Коэффициент усиления 100 равен 40 децибел:


20 log10 (100) = 40 дБ


Если коэффициент усиления доходит до 1000, у нас есть 60 децибел:


20 log10 (1000) = 60 дБ

Импеданс

Параметр, который следует учитывать при использовании или проектировании усилителя, это его комплексное сопротивление. Импеданс – это сопротивление, которое будет «видеть» источник сигнала, в зависимости от входного сигнала усилителя. Когда импеданс высокий, усилитель будет поглощать небольшое количество тока от цепи, которую мы подключим к его входу. Если мы имеем очень слабый сигнал, например от микрофона или от антенны, то важно, чтобы на входе был высокий импеданс, благодаря чему ток не будет потребляться и сигнал не затухнет. Импеданс имеет очень сложное определение, которое требует использования специальных чисел, называемых мнимыми. Говоря простыми терминами, это сопротивление, которое противостоит переменному сигналу, оно измеряется в омах, обозначается буквой Z и зависит от частоты сигналов. В дополнение к резисторам, конденсаторы и катушки индуктивности также обладают импедансом, который препятствует прохождению переменного тока, колеблющегося с определенной частотой.

Операционные усилители (ОУ)

Новичкам будет довольно сложно построить рабочий усилитель с хорошей производительностью, используя только базовые компоненты. По моему опыту, самой большой проблемой всегда было отсутствие соответствующих приборов для проверки функционирования цепей: с осциллографом и генератором сигналов ничто не сможет остановить нас! К сожалению, эти инструменты довольно дороги и не каждый может их себе позволить. Простое и мощное решение этой проблемы предлагают операционные усилители, небольшие чипы, содержащие усилитель с двумя отдельными входами. Один из двух входов передает сигнал без изменений, в то время как другой инвертирует его (изменяет знак).

Этот тип усилителя называется дифференциальным и является очень гибким устройством, при добавлении нескольких компонентов может быть преобразован в усилитель или в схему для обработки сигналов. Этот тип усилителей был создан для изготовления аналоговых компьютеров. Речь идет о предыстории вычислительных машин, когда вместо цифровых компьютеров некоторые компании начали строить и продавать вычислительные машины для произведения сложных научных расчетов, основанных не на битах, а на аналоговых величинах. Они не имели большого успеха, так что сегодня лишь немногие поклонники знают об их существовании. Эти небольшие вычислительныемашины основывались на аналоговых вычислениях, способных усиливать сигналы, складывать их и производить другие операции.

Символ операционного усилителя представляет собой простой треугольник с выходом и двумя входами, обозначенными знаками «плюс» и «минус». На самом деле этот компонент является очень сложным, поскольку образован из десятков миниатюрных транзисторов, расположенных на одном кремниевом чипе.

Наиболее известной моделью операционного усилителя является модель μA741 в DIP корпусе с 8 выводами. Выводы номер 1 и 5 усилителя μA741 служат для регулировки смещения, то есть, чтобы убедиться, что на выходе усилителя напряжение равно нулю, когда на его двух входах оно одинаковое. Может случиться, что на выходе операционного усилителя присутствует нежелательное напряжение. Для его удаления можно подключить триммер между двумя выводами и центральным, подключенным к отрицательному напряжению питания. Для сброса смещения необходим мультиметр, один щуп заземляется, а другой подключается к шестому выводу (выходной сигнал ОУ). Смещение является нежелательным при работе с абсолютным напряжением, но если усилитель используется как таковой, то смещение не имеет никакого значения.

Иллюстрация к книге — Электроника для начинающих [i_212.jpg]

Рис. 6.5. Символ операционного усилителя μА741


Все фирмы-производители предлагают операционные усилители с различными характеристиками и размерами. Некоторые популярные аббревиатуры: TL081, LF231, TL082 с двумя ОУ, TL084 с четырьмя ОУ. Операционный усилитель представляет собой дифференциальный усилитель с высоким коэффициентом усиления, т. е. цепи, способные производить разность сигналов на своих входах, которые называются «инвертирующий» и «неинвертирующий». При подаче 5 В на неинвертирующий вход и 3 В на инвертирующий вход на выходе должно измеряться напряжение 2 В. В определенный момент некоторые инженеры заметили, что, подав на вход напряжение, на выходе можно получить интересный эффект. Это наблюдение является основой теории управления и автоматизации: откуда подается сигнал и какой эффект он производит, измеряется ожидаемая ошибка, а затем погрешность измерения используется для коррекции сигнала, который его произвел. Этот механизм гарантирует, что определенная операция выполняется контролируемым и стабильным образом. Даже люди используют этот механизм. Когда мы двигаем руку, чтобы взять ручку на столе, мозг посылает сигналы для активации мышц, а глаза контролируют эффект этих действий, сообщая об ошибке в мозг, который затем ее компенсирует.

Входы этих усилителей имеют высокое сопротивление, это означает, что они не поглощают ток от датчиков, которые будут подключаться. На выходе могут быть токи до нескольких десятков миллиампер.

Единственный недостаток заключается в том, что для работы операционного усилителя требуется двухполярное питание относительно земли, положительное напряжение и отрицательное: мы можем использовать две батареи или собрать схему «генератор массы» (см. с. 185) с другим операционным усилителем.

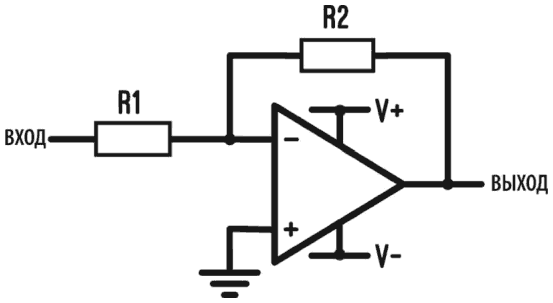
Инвертирующий усилитель

Самым простым операционным усилителем является инвертирующий усилитель, т. е. усилитель, выходной сигнал которого инвертируется по отношению к входному сигналу. Если мы применим к его входу положительный сигнал, то на выходе найдем отрицательный и наоборот. Для построения этого типа схем необходимы два резистора, которые служат для определения коэффициента усиления, т. е. во сколько раз будет усиливаться входной сигнал. Резистор R2 подключен между выходом цепи и ее входом, так чтобы привести часть сигнала на вход и ограничить коэффициент усиления. Неинвертирующий вход заземлен непосредственно, и схема работает с двойным источником питания, то есть с отрицательным напряжением, положительным и общим заземлением. Распространенной ошибкой является подключение земли к отрицательному источнику питания.

Иллюстрация к книге — Электроника для начинающих [i_213.jpg]

Рис. 6.6. Электрическая схема инвертирующего усилителя на основе операционного усилителя

Вход
Поиск по сайту
Ищем:
Календарь