Книга Электроника для начинающих, страница 3 – Паоло Аливерти

Авторы: А Б В Г Д Е Ж З И Й К Л М Н О П Р С Т У Ф Х Ч Ш Ы Э Ю Я
Книги: А Б В Г Д Е Ж З И Й К Л М Н О П Р С Т У Ф Х Ц Ч Ш Щ Ы Э Ю Я
Бесплатная онлайн библиотека LoveRead.in

Онлайн книга «Электроника для начинающих»

📃 Cтраница 3
Иллюстрация к книге — Электроника для начинающих [i_002.jpg]

Рис. 1.2. Граф диполейее в реальности, заменив нарисованные на бумаге символы реальными элементами. При составлении схемы мы столкнемся с рядом небольших проблем, так как часто не существует прямого соответствия между символом и реальным объектом. Мы научимся решать эти небольшие электронные дилеммы.


Схема электрической цепи является эквивалентом музыкальной партитуры. Ноты на нотной бумаге необходимы, чтобы проследить за музыкой и «остановить» ее, а также они говорят музыканту, как ему играть на его инструменте. Электрическая схема используется для отслеживания цепи и чтобы определить, как она будет реализована. Как и партитура, электрическая схема являются информацией, которой мы можем поделиться с другими. Освоив несколько первых глав, мы сможем читать электрическую схему и реализовывать ее в реальности, заменив нарисованные на бумаге символы реальными элементами. При составлении схемы мы столкнемся с рядом небольших проблем, так как часто не существует прямого соответствия между символом и реальным объектом. Мы научимся решать эти небольшие электронные дилеммы.

Если, обратив внимание на схему на рис. 1.2, заменить каждый диполь реальным устройством, то получится электрическая цепь. Если схема очень сложная, мы можем иметь пересеченные линии; в этом случае провода считаются соединенными, если на пересечении нарисован узел. Чтобы подчеркнуть несоединенные провода, некоторые рисуют небольшую арку в точке пересечения, обозначая, что один провод проходит снизу а другой сверху.

Иллюстрация к книге — Электроника для начинающих [i_003.jpg]

Рис. 1.3. Соединение между двумя проводами обозначено жирной точкой (узлом)


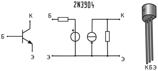
Иногда мы можем встретить элементы с тремя или более выводами, несмотря на то, что диполи имеют только два вывода. С изобразительной точки зрения, эти элементы обозначают комплекс нескольких соединенных диполей. Транзисторы имеют три вывода, но могут быть изображены как комплекс нескольких диполей. Для простоты, используется это обозначение с более простым и быстрым для использования символом.

Иллюстрация к книге — Электроника для начинающих [i_004.jpg]

Рис. 1.4. Символ транзистора с тремя выводами, это более упрощенное обозначение его строения в диполях


Как было уже отмечено, для многих элементов нет прямого соответствия между символом и реальным устройством. Например, три вывода транзистора имеют обозначения Э, К и Б, но не все транзисторы соблюдают этот порядок. Символами интегральных схем являются простые прямоугольники и их выводы. Они всегда расположены таким образом, чтобы упростить изображение цепи и обычно не так, как они выглядят на самом деле.

Как можно разобраться во всей этой информации? Во времена, когда не существовало интернета, использовались справочники, в которых перечислялись характеристики транзисторов, диодов и интегральных схем. Электронная промышленность издавала пособия, которые включали список электронных компонентов и содержали множество страниц с подробным описанием их электрических и механических характеристик, а также инструкции по их использованию. Сегодня с помощью интернета мы можем получить любые данные за несколько секунд! Попробуйте посетить веб-сайт компании RS Components или Farnell, где для доступа к информации необязательна регистрация.

Электрический ток

Я начал интересоваться электрическими явлениями в возрасте десяти лет. Просматривая книги моего деда Джино, я нашел «Электротехнику в рисунках и чертежах». Это был простой и очень доступный текст, даже ребенок мог читать и понимать его. На страницах книги автор объяснял каждое понятие и электрическое устройство по аналогии с водой. Радиопередачи были объяснены с помощью рисунка разбрызгивателя для газона!

Среди невежд часто возникает путаница в таких терминах, как электричество, ток, напряжение, мощность и т. д. Естественно, все эти понятия очень разные. В соответствии со словарем, электричество – это свойство материи легко наблюдаемое, которое проявляется притяжением или отталкиванием тел под действием присутствующих электрических зарядов. Название происходит из греческого языка и означает янтарь: еще древние греки заметили, что если потереть тканью или шерстью кусок янтаря, то он станет отрицательно заряженным и сможет притягивать нетяжелые предметы, например, пух или кусочки бумаги. Теперь поговорим об электрическом токе и отнесемся к нему как к отдельному элементу В реальности же ток, напряжение, сопротивление и мощность – это взаимозависимые и обратно пропорциональные величины, которые могут быть описаны математическими формулами, но на данный момент мы не будем это обсуждать.

Иллюстрация к книге — Электроника для начинающих [i_005.jpg]

Рис. 1.5. Обложка книги «Электротехника в рисунках и чертежах»


Электрический ток – это движение электрически заряженных частиц внутри проводника, такого как медь или железо. Когда-то считалось, что эти частицы заряжены положительно, но на самом деле это электроны, то есть частицы, имеющие отрицательный заряд. Металлы состоят из атомов, богатых электронами, которые могут свободно перемещаться; в связи с этим ток хорошо проходит в меди и железе, поэтому эти металлы называются «проводниками». Представим, что мы берем батарейку, лампочку и соединяем их электрическим проводом. Электрические заряды отправятся от положительного полюса батарейки, двигаясь по проводу и включая «по дороге» лампочку, а потом вернутся к исходному пункту в отрицательный полюс. Провод можно сравнить с трубой, а электроны с молекулами воды, которые проходят через трубу. Положительный полюс батарейки можно сопоставить с краном, а отрицательный полюс – со стоком, куда вода стекает в конце своего движения.

Ток имеет направление, или полярность, так как заряды всегда текут от положительного полюса к отрицательному. Первым человеком, кто ввел эту идею, был Бенджамин Франклин, который не обладал средствами или физическими знаниями, чтобы доказать, что в действительности ток обусловлен отрицательно заряженными электронами, а не гипотетически положительными частицами. Франклин просто описывал то, что он мог видеть своими глазами. Эта условность осталась и по сей день, хотя в действительности электроны движутся от отрицательного полюса к положительному. Положительный полюс обычно указывается знаком «+» или красным цветом, в то время как отрицательный полюс обозначается знаком «−» или черным цветом.

Иллюстрация к книге — Электроника для начинающих [i_006.jpg]

Рис. 1.6. Вода и электроны иногда ведут себя похожим образом


Как можно измерить ток? Измерить ток воды достаточно просто: нам нужны секундомер и счетчик воды, текущей из трубы. Скорость тока воды зависит от диаметра трубы и скорости воды и равна количеству литров, которые проходят через секцию трубы в секунду: могут пройти десять, сто или тысяча литров в секунду. Для измерения силы электрического тока поступают подобным образом, но вместо измерения количества воды, мы должны считать электрические заряды, или количество электронов, которые проходят в электрическом проводе в секунду (или лучше через данное сечение провода).

Вход
Поиск по сайту
Ищем:
Календарь