Книга Электроника для начинающих, страница 12 – Паоло Аливерти

Авторы: А Б В Г Д Е Ж З И Й К Л М Н О П Р С Т У Ф Х Ч Ш Ы Э Ю Я
Книги: А Б В Г Д Е Ж З И Й К Л М Н О П Р С Т У Ф Х Ц Ч Ш Щ Ы Э Ю Я
Бесплатная онлайн библиотека LoveRead.in

Онлайн книга «Электроника для начинающих»

📃 Cтраница 12

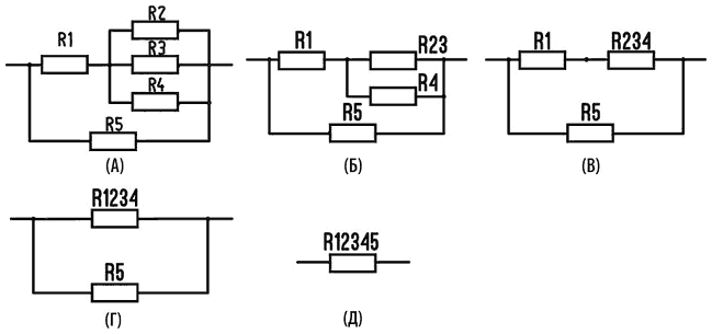
Величины сопротивлений на резисторах:


• R1 = 10 Ом

• R2 = 100 Ом

• R3 = 47 Ом

• R4 = 56 Ом

• R5 = 120 Ом

Иллюстрация к книге — Электроника для начинающих [i_060.jpg]

Рис. 2.15. Для расчета равноценного сопротивления в цепи резисторов (А) следует упрощать и группировать шаг за шагом компоненты до получения одного конечного сопротивления (Е)


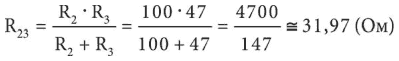
Начнем с параллельно соединенных резисторов R2, R3 и R4. Сначала рассчитаем R2 и R3:


Иллюстрация к книге — Электроника для начинающих [i_061.jpg]

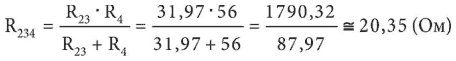
Затем рассчитаем параллельные R23 и R4:


Иллюстрация к книге — Электроника для начинающих [i_062.jpg]

Сейчас мы имеем последовательные резисторы R1 и R234:


R1234= R1 + R243 = 10 + 20,35 = 30,35 (Ом)


И наконец, параллельные R1234 и R5:


Иллюстрация к книге — Электроника для начинающих [i_063.jpg]

В качестве упражнения пытаемся рассчитать сопротивление в цепи, показанной на рис. 2.16. Решение находится в нижней части раздела. Значения сопротивлений:


• R1 = 220 Ом

• R2 = 1,2 кОм

• R3 = 10 кОм

• R4 = 470 Ом

• R5 = 3,3 кОм

Иллюстрация к книге — Электроника для начинающих [i_064.jpg]

Рис. 2.16. Рассчитаем равноценное сопротивление в этой цепи

Делитель напряжения и тока

Соединив последовательно два резистора, мы создаем делитель напряжения или цепь, которая служит для разделения напряжения и уменьшения его значения по желанию. Делитель напряжения необходим, когда от батарейки 9 В мы хотим получить напряжение 3 В. Какие резисторы необходимы для этого? Прежде всего, решим, сколько тока будет течь в двух резисторах. Выбираем не слишком высокое текущее значение тока, равное 10 мА. Таким образом, мы имеем:


• Uбатарейки = 9 В

• U1 = 3 В

• I = 10 мА

Иллюстрация к книге — Электроника для начинающих [i_065.jpg]

Рис. 2.17. Электрическая схема делителя напряжения, соединенного с батарейкой 9 В


Если мы будем следовать по цепи, образованной делителем и батарейкой, суммируя напряжения, имеем:


Uбатарейки − U1 − U2 = 0


Перепишем его следующим образом:


U2 = Uбатарейки − U1


Подставим известные значения:


U2 = 9 (В) − 3 (В) = 6 (В)


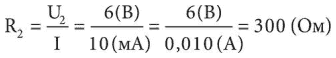
Теперь мы знаем значения U1 и U2. Вычислим R1 с помощью закона Ома:


Иллюстрация к книге — Электроника для начинающих [i_066.jpg]

Вычислим R2:


Иллюстрация к книге — Электроника для начинающих [i_067.jpg]

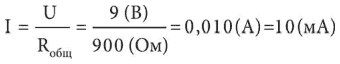
Проверим, правильно ли мы сделали подсчеты, вычислим общее сопротивление, а затем проверим значение тока, которое должно равняться 10 мА.


Rтот = R1 + R2 = 300 + 600 = 900 (Ом)


Ток проверяем по следующей формуле:


Иллюстрация к книге — Электроника для начинающих [i_068.jpg]

Расчеты верны! На практике ситуация будет немного другой, потому что нет готового сопротивления 600 Ом. Наиболее близкое к нему значение сопротивления – это 560 Ом. Проверим, какими будут реальные значения тока и сопротивления в цепи.

Примечание: делитель напряжения – это не настоящий регулятор напряжения; когда мы подключаем другую цепь к его выходу, мы изменяем цепь! Мы увидим в последующих главах, как построить более надежные схемы.

Два (или более) параллельных резистора образуют делитель тока, разделяя ток на различные ветви цепи.

Иллюстрация к книге — Электроника для начинающих [i_069.jpg]

Рис. 2.18. Электрическая схема делителя тока, соединенного с батарейкой 9 В


Предположим, у нас есть делитель тока с двумя ветвями, в которых мы хотели бы пропустить ток 10 и 20 мА:


• Uбатарейки = 9 В

• I1 = 10 мА

• I2 = 20 мА


В этом случае можно сразу определить сопротивление, необходимое для получения необходимых токов, так как на концах резисторов напряжение имеет значение 9 В. Используя закон Ома, получаем:


Иллюстрация к книге — Электроника для начинающих [i_070.jpg]

Общее сопротивление, подключенное к батарейке, можно рассчитать из параллельного соединения между R1 и R2:


Иллюстрация к книге — Электроника для начинающих [i_071.jpg]

Общий ток, обеспечиваемый батарейкой, будет равен сумме токов в двух ветвях. Этот ток может быть также получен путем деления напряжения батарейки на полное сопротивление:


Иллюстрация к книге — Электроника для начинающих [i_072.jpg]
Подстроенный резистор и потенциометр

Чтобы увеличить громкость звука колонок или стерео системы, мы поворачиваем регулятор, изменяющий значение сопротивления, который называется потенциометром: специальный компонент имеет три вывода и вал, соединенный с ползуном, который скользит по полосе резистивного материала, расположенного по кругу. Максимальное вращение составляет около 270°, а сопротивление может изменяться от минимального значения (0 Ом) до максимального значения, которое, как правило, написано на элементе. Существуют специальные многооборотные компоненты, которые могут совершать более одного оборота. При вращении вала сопротивление компонента растет, как правило, линейно. Тем не менее существуют потенциометры, сопротивление которых растет логарифмически (такие компоненты часто используются в качестве регулятора громкости).

Вход
Поиск по сайту
Ищем:
Календарь