Книга Электроника для начинающих, страница 49 – Паоло Аливерти

Авторы: А Б В Г Д Е Ж З И Й К Л М Н О П Р С Т У Ф Х Ч Ш Ы Э Ю Я
Книги: А Б В Г Д Е Ж З И Й К Л М Н О П Р С Т У Ф Х Ц Ч Ш Щ Ы Э Ю Я
Бесплатная онлайн библиотека LoveRead.in

Онлайн книга «Электроника для начинающих»

📃 Cтраница 49

Сегодня мы можем купить микроконтроллер по более низкой цене, чем простой цифровой чип, и запрограммировать его так, что он сможет выполнять те же функции. Не для всех операций можно использовать микроконтроллер, иногда дешевле использовать простые специализированные микросхемы для выполнения определенных функций, таких как управление двигателем, контролирование дисплея или хранение информации.

Сегодня, в дополнение к микроконтроллерам, также называемым MCU. Существуют также специальные чипы, которые называются Programmable Logic (FPGA) или ППВМ (программируемая пользователем вентильная матрица). В этих чипах есть десятки или сотни тысяч логических вентилей, которые мы можем подключать по желанию. С программой и компьютером, мы можем подключать по желанию элементы, содержащиеся в чипе, как будто внутри чипа находится микроскопическая кремниевая макетная плата и ящик, полный логических компонентов и перемычек. Джанни Бекаттини, один из пионеров в области персональных компьютеров в Италии и в настоящее время генеральный директор АЭП, на одной из конференций в 2013 рассказал о реконструкции исторического электронного калькулятора PDP11. Вместо того чтобы использовать множество макетных плат и чипов, он задумался о более совершенном способе восстановления своего любимого компьютера: решением стала небольшая карта с ППВМ!

Иллюстрация к книге — Электроника для начинающих [i_261.jpg]

Рис. 8.1. Исторический калькулятор PDP11

Булева логика

Цифровая электроника использует очень простые сигналы: включения и выключения. По этой причине она очень проста для понимания и использования, даже для новичков, несмотря на то, что основана на алгебре логики или булевой логике, названной в честь математика Джорджа Буля.

Иллюстрация к книге — Электроника для начинающих [i_262.jpg]

Рис. 8.2. Джордж Буль (1815–1864)


В то время как мы привыкли к цифрам от нуля до девяти, Джордж Буль изобрел особый математический мир, в котором существуют только два числа: ноль и один. Минимальное количество информации называется битом, и он может принимать только одно из этих двух значений. Даже с двумя цифрами вы можете производить математические операции, такие как сложение, вычитание, умножение и деление. Помимо математических операций, Буль ввел логические операторы, которые работают с битами. Во времена Буля вместо электроники была использована механика для построения машин, которые еще не назывались компьютерами. Электроника хорошо сочетается с битами, можно легко построить схемы, которые работают только с двумя уровнями напряжения. Ноль соответствует напряжению 0 В или разомкнутому переключателю, в то время как один соответствует напряжению питания или замкнутому переключателю.

Логические вентили

До рождения интегральных схем логические схемы были построены с использованием реле и клапанов, а затем заменены транзисторами. Схема для выполнения простой операции, требовала многих компонентов, поэтому первые компьютеры, такие как ЭНИАК, занимали целые здания! Сегодня мы можем купить чипы, которые содержат готовые к использованию операторы или логические элементы. Нам почти не нужно беспокоиться о том, как они были построены, с помощью какого числа транзисторов и какого типа. Эти логические вентили имеют входы и выходы, к которым применяются электрические сигналы включения и выключения. Логика Буля обеспечивает вентили: НЕ, И, ИЛИ, ИСКЛЮЧАЮЩЕЕ ИЛИ. В дополнение к этим основным вентилям существуют также: И-НЕ, ИЛИ-НЕ и ИСКЛЮЧАЮЩЕЕ ИЛИ-НЕ, то есть особые комбинации базового вентиля с вентилем НЕ, подключенным к выходу Вентили, как правило, имеют два входа, но существуют особые вентили, имеющие 4 или 8 входов.

Вентиль НЕ

Простейшим оператором является вентиль НЕ: элемент с входом и выходом. НЕ возвращает сигнал, обратный сигналу на входе. Если на вентиль НЕ подадим «один» (т. е. 5 В), то на выходе получим «ноль» (т. е. 0 В), и, наоборот, если на входе «ноль», то выходной сигнал будет иметь «один». Для описания работы вентиля используется таблица, называемая таблицей истинности. В таблице содержится столбец для каждого входного сигнала и столбец для выходного сигнала логического вентиля. Она имеет столько строк, сколько и возможностей входа. Таблица для вентиля НЕ очень проста, имеет только один вход и один выход, с двумя рядами.


Таблица 8.1. Таблица истинности для вентиля НЕ

Иллюстрация к книге — Электроника для начинающих [i_263.jpg]

Логические вентили, несмотря на то, что содержатся в чипе, как правило, представлены с использованием специальных символов. Обозначением вентиля НЕ является треугольник с точкой на конце. Некоторые чипы, содержащие вентили НЕ: 74НС04 или 4049В или 4069В.

Иллюстрация к книге — Электроника для начинающих [i_264.jpg]

Рис. 8.3. Символ вентиля НЕ и чип 74НС04, содержащий 6 вентилей НЕ


Теперь давайте сделаем эксперимент с вентилем НЕ. Нам понадобятся следующие компоненты:

• макетная плата;

• интегральная схема 74НС04 по КМОП-технологии, содержащая 6 вентилей НЕ;

• красный светодиод;

• зеленый светодиод;

• два резистора на 220 Ом;

• нормально разомкнутая кнопка;

• один резистор на 10 кОм;

• источник питания на 5 В;

• конденсатор на 0,1 мкФ;

• перемычки или соединительные провода.


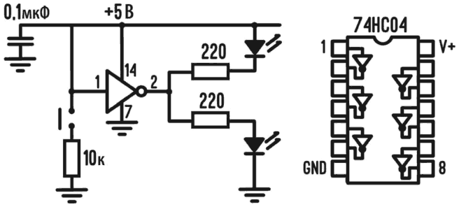
Электрическая схема цепи изображена на рис. 8.4. На схеме мы не обозначили чип в виде общего прямоугольника, но мы нарисовали вентиль НЕ. Чтобы понять, как собрать схему, мы должны иметь под рукой цоколевку чипа. В помощь нам, в электрических схемах на логических вентилях показаны номера контактов чипа. Когда чип содержит большое количество логических вентилей, каждому элементу присваивается имя, например: U1a, U1b, U1с и U1d и так далее. Только на одном из вентилей показаны соединения для источника питания и для массы всей интегральной схемы.

Примечание: Некоторые цифровые интегральные схемы требуют точного напряжения питания, как правило, 5 В. Несоблюдение этого условия может привести к выходу цепи из строя.

Иллюстрация к книге — Электроника для начинающих [i_265.jpg]

Рис. 8.4. Электрическая схема пробной цепи вентиля НЕ и цоколевка чипа 74НС04


Построим схему.


1. Объединим шины электропитания по обоим краям макетной платы, чтобы иметь электропитание с обеих сторон.

Вход
Поиск по сайту
Ищем:
Календарь