Книга Электроника для начинающих, страница 48 – Паоло Аливерти

Авторы: А Б В Г Д Е Ж З И Й К Л М Н О П Р С Т У Ф Х Ч Ш Ы Э Ю Я
Книги: А Б В Г Д Е Ж З И Й К Л М Н О П Р С Т У Ф Х Ц Ч Ш Щ Ы Э Ю Я
Бесплатная онлайн библиотека LoveRead.in

Онлайн книга «Электроника для начинающих»

📃 Cтраница 48

Схема, которую мы только что видели, может быть воспроизведена каждый раз, когда нам понадобятся 5 В. Мы можем перенести всю схему на макетную плату (Stripboard), и найти подходящую емкость, чтобы всегда иметь под рукой стабилизированный источник питания.

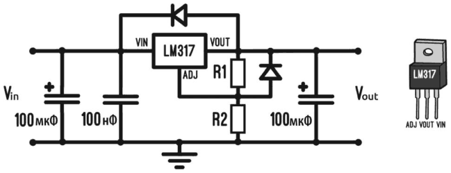
Построим регулируемый стабилизированный источник питания

Для наших экспериментов могут потребоваться конкретные напряжения, которые фиксированный регулятор напряжения не сможет воспроизвести. Мы уже видели, что делители напряжения дают плохие результаты. Существует интегральная схема LM317, на основе которой мы можем собрать источник питания с регулируемым выходным напряжением. Этот компонент также скрывает внутри сложную электронную схему, способную регулировать напряжение, используя только два внешних резистора. Что касается регуляторов серии 78хх, входное напряжение может достигать 20 В. Если стабилизирующее напряжение значительно ниже, чем напряжение, подаваемое на вход, компонент будет сильно нагреваться, потому что разница напряжений преобразуется в тепло, которое необходимо рассеять.

Иллюстрация к книге — Электроника для начинающих [i_257.jpg]

Рис. 7.10. Схема регулятора напряжения с LM317. Его цоколевка отличается от цоколевки регуляторов серии 78ХХ


Выходное напряжение устанавливается путем выбора значений для R1 и R2. Заменив R2 потенциометром, мы можем изменять выходное напряжение по нашему желанию. Для выбора сопротивлений используется формула, которая указывается в техническом описании. Для получения выходного напряжения, равного Uo, можно выбрать произвольное сопротивление R1 и вычислить R2 по формуле:


Иллюстрация к книге — Электроника для начинающих [i_258.jpg]

Теперь построим источник питания, чтобы получить напряжение 3,3 В. Такое напряжение широко используется в современных интегральных схемах. Необходимые компоненты:


• макетная плата;

• старый источник питания на 5 В и более или батарея на 9 В с зажимами для подключения;

• LM317 (лучше, если с радиатором);

• светодиод;

• R1, резистор на 330 Ом;

• R2, резистор на 220 Ом;

• два конденсатора на 100 нФ;

• один конденсатор на 100 мкФ;

• перемычки или провода для подключения.


Последовательность сборки на макетной плате.


1. Возьмем регулятор LM317 и вставим его близко к внутреннему краю платы с выводами на столбцах 5, 6 и 7.

2. Добавим резисторы R1 и R2. В отсутствие свободного пространства, возможно, вам придется отрезать и согнуть выводы резисторов.

3. Вставим небольшую перемычку между центральным выводом LM317 и красной шиной питания.

4. Добавим конденсаторы на 100 нФ и 100 мкФ, размещая их непосредственно на двух шинах питания.

5. Добавим второй конденсатор емкостью 100 нФ.

6. Подключаем светодиод и сопротивление на 220 Ом.

7. Наконец, подключаем зажим от батареи на 9 В, подсоединив красный провод на том же самом столбце где находится третий вывод от LM317, а черный провод непосредственно к синей шине электропитания. Провода зажимов гибкие, поэтому может понадобиться сначала спаять их и соединить с небольшими отрезками жесткой проволоки.

Вместо батареи можно использовать источник питания для телефона, модифицировав его образом, аналогичным примеру с 7805 выше.

Иллюстрация к книге — Электроника для начинающих [i_259.jpg]

Рис. 7.11. Схема регулятора напряжения, собранного на макетной плате

Двухполярный источник питания

Некоторые схемы требуют двухполярного питания, то есть должны быть три контакта: положительное напряжение, земля (или 0 вольт) и отрицательное напряжение. Не все имеют двойной лабораторный источник питания, и поэтому в случае необходимости можно последовательно подключить два источника питания, установленные на одинаковом напряжении или даже две батареи. Таким образом, взяв в качестве 0 В («центральное») соединение между положительным и отрицательным источником питания, мы будем иметь двухполярное напряжение. Обозначения в электронике всегда относительны.

Иллюстрация к книге — Электроника для начинающих [i_260.jpg]

Рис. 7.12. Используем две последовательно соединенные батареи для создания двухполярного источника питания на – /+ 9 В

Масса

Напряжение – величина относительная. По этой причине очень важно обеспечить общую точку отсчета для всех подключенных вместе цепей. Таким образом, присваивается потенциал 0 В и определяется точка массы, земли (иногда также называемая «общей»). Точка массы всегда должна быть единственной в пределах контура, также как и для большого количества цепей, соединенных между собой. Термин «масса» исходит из того, что изначально электрические цепи помещались в металлические кожухи, к которым подсоединялся отрицательный источник заряда.

В телеграфных и радиопередачах используется в качестве значения 0 В само заземление. Оно соединяет цепь к столбу в земле, так что передатчик и приемник использует землю в качестве огромного накопителя отрицательных зарядов. Очень часто общую точку цепи, напряжение в которой равно 0 В, называют «земля».

Глава 8
Цифровая электроника

В этой главе мы будем говорить о цифровых интегральных схемах и их применении. Мы рассмотрим основы цифровой логики, пока не дойдем до регистров, счетчиков и карт памяти. Несмотря на то, что на сегодняшний день вы можете использовать микроконтроллеры для выполнения любых задач, в некоторых случаях разумнее использовать специализированные схемы.

В начале моей карьеры электронщика, в возрасте десяти лет, я столкнулся с рядом трудностей. Я строил схемы, которые часто не работали, и я не имел ни средств, ни возможностей, чтобы понять почему. Я проводил целые дни с дымящимся паяльником в руке, собирая и разбирая схемы путем проб и ошибок. Интернета не существовало, я не знал никого, кто разбирался бы в электронике, поэтому я мог рассчитывать только на малочисленные книги: действительно печальный опыт. Несмотря на все это, моя страсть не исчезла, потому что в моменты отчаяния я нашел утешение в цифровой электронике. Цифровые интегральные схемы были очень просты для понимания, и, комбинируя их между собой, можно было включать светодиоды, писать буквы на дисплее с семью сегментами, получать сигналы с кнопок и работать с другими элементами. С большим удовлетворением я смог построить пульт управления с цифровой клавиатурой для домашней стереосистемы. Кнопки контролировали усилитель, объединяя входы и выходы по мере необходимости. Я использовал простые логические вентили, которые оптимизировалс помощью теоретических материалов из одной книги, найденной в библиотеке (карты Карно!).

Вход
Поиск по сайту
Ищем:
Календарь