Онлайн книга «Т-72. Уральская броня против НАТО»
|
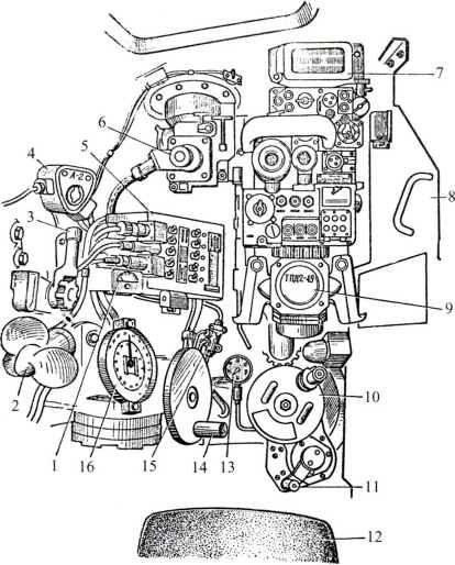
В подбашенном листе корпуса над сиденьем имеется люк механика-водителя. В шахте верхнего наклонного броневого листа установлен прибор наблюдения механика-водителя ТНПО-168 с системой гидропневмоочистки стекол, а по бокам от него — две сигнальные лампы выхода пушки за габариты корпуса. В днище корпуса за сиденьем имеется люк запасного выхода. Размещенный в отделении управления механик-водитель, несмотря на большой угол наклона верхнего лобового листа корпуса, во время боя занимает положение сидя, а не полулежа, как на некоторых западных танках. Это обеспечено установкой его сиденья в специальном углублении в днище. Боевое отделение расположено в средней части корпуса танка и башне и отделено перегородкой от силового отделения. Конструкция и компоновка танка обеспечивают переход членов экипажа из боевого отделения в отделение управления и обратно. В башне установлена 125-мм гладкоствольная пушка, автомат заряжания и приборы управления огнем. Справа от пушки расположено рабочее место командира, слева — наводчика. Справа на пушке установлен пулемет ПКТ, а над ее люлькой на крыше башни на специальных кронштейнах — базовая труба прицела-дальномера ТПД 2-49. ![]() Люк механика-водителя. Перед люком — козырек прибора наблюдения ТНПО-168. ![]() Боевое отделение (место командира): 1 — пулемет ПКТ; 2 — электромашинный стопор пушки; 3 — датчик линейных ускорений; 4 — прибор наблюдения ТНП-160; 5 — прибор ТКН-3; 6 — пополнительный бак; 7 — аппарат ТПУ А-4; 8 — аппарат ТПУ А-1; 9 — пульт загрузки; 10 — распределительный щиток; 11 — радиостанция Р-123М; 12 — спинка сиденья; 13 — блок питания радиостанции. Перед сиденьем командира и справа по борту башни установлены: электромашинный стопор пушки; пополнительный бак вертикального наведения; радиостанция Р-123М; аппарат ТПУ А-1; аппарат А-4 для подключения наружной розетки десанта; пульт загрузки автомата заряжания; карданный привод командирской башенки. У переднего бака-стеллажа на правом борту размешен баллон системы ППО. В крыше башни над сиденьем командира расположена командирская башенка с люком, который закрывается крышкой, имеющей пластинчатый торсион. В командирской башенке установлены два прибора наблюдения ТИП-160 и командирский прибор ТКН-3. На башенке установлен зенитный пулемет НСВ-12,7. В корме башни расположен люк для выброса поддонов, механизм подъема кассет, досылатель и элементы привода крышки люка выброса поддонов. Перед сиденьем наводчика в башне установлены: прицел-дальномер с пультом управления автоматом заряжания; ночной прицел; прибор наблюдения; подъемный механизм пушки. Слева в башне установлены: распределительный щиток; индикатор количества выстрелов; аппарат ТПУ А-2; механизм поворота башни с азимутальным указателем; стопор башни; электроприборы и приборы освещения. Люк наводчика закрывается крышкой, в которой имеется лючок для установки воздухопитающей трубы ОПВТ. В средней части корпуса установлен вращающийся транспортер автомата заряжания с редуктором и стопором. Под полом транспортера на днище боевого отделения установлено вращающееся контактное устройство ВКУ-330-1. У моторной перегородки размещен средний бак-стеллаж с боеукладкой. Между ним и правым бортом установлен подогреватель двигателя с калорифером. Над подогревателем размещена фильтровентиляционная установка (ФВУ). Кроме того, в боевом отделении расположен еще целый ряд приборов и механизмов, в том числе термодатчики и трубопроводы с распылителями системы ППО. ![]() Боевое отделение (место наводчика): 1 — индикатор; 2 — вентилятор; 3 — стопор башни; 4 — аппарат ТПУА-2; 5 — левый распределительный щиток; 6 — ночной прицел ТПН-1-49-23; 7 — прибор наблюдения ТНП-160; 8 — ограждение пушки; 9 — прицел-дальномер ТПД2-49; 10 — подъемный механизм пушки; 11 — рукоятка вывода из зацепления червяка; 12 — сиденье; 13 — манометр; 14 — ручной механизм поворота башни; 15 — клапан системы ГПО; 16 — азимутальный указатель. Силовое отделение расположено в кормовой части корпуса танка. Компоновка силового отделения выполнена с поперечным размещением двигателя, смещенного к левому борту. Между двигателем и моторной перегородкой размещены: расширительный бачок системы охлаждения; центробежный масляный фильтр; поплавковый клапан расширительного бачка системы питания. Между правым бортом и двигателем установлен воздухоочиститель. Вдоль правого борта установлена гитара, передающая крутящий момент от двигателя к коробкам передач. На отдельном постаменте фундамента двигателя закреплен стартер-генератор. Конический редуктор привода вентилятора установлен на кронштейне, закрепленном на днище танка. В специальных картерах, вваренных в кормовой части корпуса с левой и правой стороны, установлены планетарные коробки передач в сборе с бортовыми передачами. На кормовом листе корпуса расположен вентилятор системы охлаждения. В силовом отделении установлены пополнительный и основной маслобаки системы смазки двигателя, а также маслобак системы смазки и гидроуправления силовой передачи. Силовое отделение закрывается крышей, состоящей из крыши над двигателем и крыши над силовой передачей. По днищу корпуса проходят торсионные валы подвески, а по бортам танка — тяги приводов управления. ![]() Башня танка Т-72 позднего выпуска. ИК-осветитель ночного прицела размещен на своем привычном месте — справа от пушки. ![]() Корпус танка: 1 — верхний лобовой лист; 2,3 — скобы; 4 — кронштейн ограждения фары; 5 — передний буксирный крюк; 6 — нижний лобовой лист; 7 — кронштейн балансира; 8 — подбашенная защитная планка; 9 — отбойник; 10 — выпускной патрубок; 11 — кронштейн крепления бочек; 12 — камнеотбойник; 13 — кронштейн ленты крепления бревна; 14 — задний буксирный крюк; 15, 16 — кормовые листы; 17 — картер коробки передач; 18 — упор; 19 — кронштейн поддерживающего катка; 20 — кронштейн амортизатора; 21 — кронштейн кривошипа направляющего колеса; 22 — грязевой щиток. ![]() Т-72. |
![Иллюстрация к книге — Т-72. Уральская броня против НАТО [i_024.jpg] Иллюстрация к книге — Т-72. Уральская броня против НАТО [i_024.jpg]](img/book_covers/077/77468/i_024.jpg)
![Иллюстрация к книге — Т-72. Уральская броня против НАТО [i_025.jpg] Иллюстрация к книге — Т-72. Уральская броня против НАТО [i_025.jpg]](img/book_covers/077/77468/i_025.jpg)
![Иллюстрация к книге — Т-72. Уральская броня против НАТО [i_026.jpg] Иллюстрация к книге — Т-72. Уральская броня против НАТО [i_026.jpg]](img/book_covers/077/77468/i_026.jpg)
![Иллюстрация к книге — Т-72. Уральская броня против НАТО [i_027.jpg] Иллюстрация к книге — Т-72. Уральская броня против НАТО [i_027.jpg]](img/book_covers/077/77468/i_027.jpg)
![Иллюстрация к книге — Т-72. Уральская броня против НАТО [i_028.jpg] Иллюстрация к книге — Т-72. Уральская броня против НАТО [i_028.jpg]](img/book_covers/077/77468/i_028.jpg)
![Иллюстрация к книге — Т-72. Уральская броня против НАТО [i_029.jpg] Иллюстрация к книге — Т-72. Уральская броня против НАТО [i_029.jpg]](img/book_covers/077/77468/i_029.jpg)