Онлайн книга «Т-72. Уральская броня против НАТО»
|
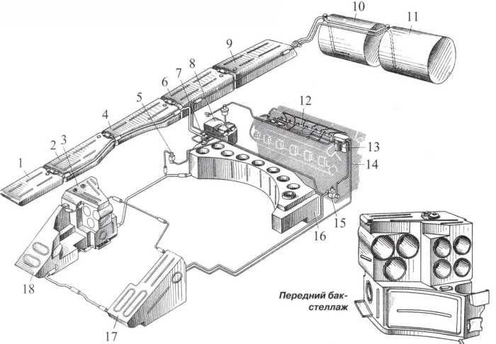
Система смазки — циркуляционная, комбинированная. Масляный насос МЗН-2 — шестеренчатый, трехсекционный (одна секция нагнетающая и две откачивающие). Заправочная емкость системы — 65 л. Система охлаждения — жидкостная, закрытая с принудительной циркуляцией охлаждающей жидкости и продувкой воздуха через радиаторы вентилятором. Заправочная емкость системы — 90 л. В машине установлены два аналогичных по конструкции радиатора. Радиаторы трубчато-пластинчатого типа соединены последовательно с помощью патрубков и шлангов и установлены в изолированном стеллаже крыши силового отделения совместно с масляными радиаторами. Вентилятор — центробежный, с дисковым фрикционом, изготовлен из алюминиевого сплава. Передача вращения от двигателя к вентилятору осуществляется с помощью двухскоростного привода, состоящего из повышающего редуктора, смонтированного в картере гитары, конического редуктора, фрикциона вентилятора и двух карданных передач (гитара — конический редуктор, конический редуктор — фрикцион вентилятора). Вентилятор закреплен болтами к ведомой ступице фрикциона. Для повышения КПД вентилятор помещен в специальный кожух (улитку). ![]() Двигатель В-46. Вверху — вид со стороны носка коленчатого вала, внизу — со стороны передач. ![]() Система питания топливом: 1 — первый наружный бак; 2 — второй наружный бак; 3 — передний бак-стеллаж; 4 — третий наружный бак; 5 — топливный насос подогревателя; 6 — четвертый наружный бак; 7 — кран отключения наружных топливных баков; 8 — расширительный бачок; 9 — пятый наружный бак; 10 — правая бочка; 11 — левая бочка; 12 — топливный насос высокого давления; 13 — топливный фильтр тонкой очистки; 14 — двигатель; 15 — топливоподкачивающий насос; 16 — средний бак-стеллаж; 17 — левый носовой бак; 18 — правый носовой бак. ![]() Дополнительные бочки и оборудование для их подключения к топливной системе. Система подогрева предназначена для разогрева двигателя и обслуживающих его систем перед запуском. В систему подогрева входят форсуночный подогреватель, змеевики масляных баков, обогреваемые полости узлов двигателя, водяные рубашки маслозакачивающих насосов и трубопроводы. Воздушная система танка обеспечивает запуск двигателя сжатым воздухом, очистку смотрового прибора механика-водителя от грязи и пыли, очистку входного и выходного штуцеров воздухозаборного устройства прибора ГО-27 (системы ЗОПМ) от грязи, зарядку воздушного баллона системы гидропневмоочистки прицела, работу пневматических приводов клапанов нагнетателя и клапана вентиляции на перегородке, очистку узлов внутри машины от пыли путем обдува сжатым воздухом при их обслуживании. Резервный пуск двигателя обеспечивается электрическим стартером-генератором СГ-10-1. ![]() Крыша со стеллажом радиаторов в поднятом положении. ![]() Выпускной патрубок и его защитный экран. СИЛОВАЯ ПЕРЕДАЧА — механическая, с гидравлическим управлением, состоит из гитары и двух коробок передач, конструктивно объединенных с бортовыми передачами. Гитара — шестеренчатый повышающий редуктор, передающий крутящий момент от двигателя к коробкам передач. Передаточное число гитары — 0,706. Коробки передач — планетарные с семью передачами вперед и одной назад, с фрикционным включением и гидроуправлением. Коробки передач предназначены для изменения скорости движения и тяговых усилий на ведущих колесах, поворота и торможения машины, отключения двигателя от ведущих колес. Все эти режимы обеспечиваются включением и выключением определенных фрикционов в коробках передач. Поворот машины осуществляется: а) при прямолинейном движении включением в одной из коробок передачи на одну ступень ниже, чем передача прямолинейного движения, при этом машина поворачивается с определенным (расчетным) радиусом поворота; при движении на 1-й передаче или передаче заднего хода включается тормоз, поворот осуществляется с радиусом, равным ширине машины; б) частичным выключением в одной из коробок фрикционов, которые были включены при прямолинейном движении, и частичным включением фрикционов, соответствующих передаче на одну ступень ниже. ![]() Узел подвески: 1 — балансир; 2 — упор; 3 — амортизатор; 4 — рычаг; 5 — тяга. ![]() Направляющее колесо и передние опорные катки (позднего типа). За опорными катками видны упоры и корпуса амортизаторов. Бортовые передачи представляют собой одноступенчатые планетарные редукторы с постоянным передаточным числом, понижающие обороты ведомых валов коробок передач и соответственно увеличивающие крутящий момент, передаваемый к ведущим колесам гусеничного движителя. Передаточное отношение бортовой передачи — 5,454. Ходовая часть, применительно к одному борту, состоит из шести двухскатных обрезиненных опорных катков, трех односкатных поддерживающих катков с внутренней амортизацией, ведущего колеса заднего расположения со съемными зубчатыми венцами и направляющего колеса с кривошипным механизмом натяжения гусеницы. Подвеска — индивидуальная торсионная, с гидравлическими амортизаторами на 1, 2 и 6-м опорных катках. Гусеницы мелкозвенчатые, цевочного зацепления, с резинометаллическим (PMШ) или открытым (ОМШ) шарниром. Число траков в гусенице — 96. Ширина трака — 580 мм, шаг зацепления — 137 мм. Масса гусеницы с РМШ — 1698 кг, с ОМШ — 1430 кг. При необходимости на танке Т-72 могут использоваться также гусеницы с ОМШ, применяемые на танке Т-62, с установкой специальных венцов ведущих колес. Допускается использование гусениц и с машин Т-54 и Т-55 с увеличением количества траков до 97. ![]() Ведущее колесо и задние опорные катки. ![]() Трак гусеницы с резинометаллическим шарниром: 1 — трак; 2 — палец; 3 — гайка; 4 — втулка; 5 — проушина цевки; 6 — грунтозацепы; 7 — ребра; 8 — гребень. |
![Иллюстрация к книге — Т-72. Уральская броня против НАТО [i_051.jpg] Иллюстрация к книге — Т-72. Уральская броня против НАТО [i_051.jpg]](img/book_covers/077/77468/i_051.jpg)
![Иллюстрация к книге — Т-72. Уральская броня против НАТО [i_052.jpg] Иллюстрация к книге — Т-72. Уральская броня против НАТО [i_052.jpg]](img/book_covers/077/77468/i_052.jpg)
![Иллюстрация к книге — Т-72. Уральская броня против НАТО [i_053.jpg] Иллюстрация к книге — Т-72. Уральская броня против НАТО [i_053.jpg]](img/book_covers/077/77468/i_053.jpg)
![Иллюстрация к книге — Т-72. Уральская броня против НАТО [i_054.jpg] Иллюстрация к книге — Т-72. Уральская броня против НАТО [i_054.jpg]](img/book_covers/077/77468/i_054.jpg)
![Иллюстрация к книге — Т-72. Уральская броня против НАТО [i_055.jpg] Иллюстрация к книге — Т-72. Уральская броня против НАТО [i_055.jpg]](img/book_covers/077/77468/i_055.jpg)
![Иллюстрация к книге — Т-72. Уральская броня против НАТО [i_056.jpg] Иллюстрация к книге — Т-72. Уральская броня против НАТО [i_056.jpg]](img/book_covers/077/77468/i_056.jpg)
![Иллюстрация к книге — Т-72. Уральская броня против НАТО [i_057.jpg] Иллюстрация к книге — Т-72. Уральская броня против НАТО [i_057.jpg]](img/book_covers/077/77468/i_057.jpg)
![Иллюстрация к книге — Т-72. Уральская броня против НАТО [i_058.jpg] Иллюстрация к книге — Т-72. Уральская броня против НАТО [i_058.jpg]](img/book_covers/077/77468/i_058.jpg)
![Иллюстрация к книге — Т-72. Уральская броня против НАТО [i_059.jpg] Иллюстрация к книге — Т-72. Уральская броня против НАТО [i_059.jpg]](img/book_covers/077/77468/i_059.jpg)