Онлайн книга «Полный справочник пчеловода»
|
Сборка и доводка корпусов
Для сборки корпусов надо обязательно сделать шаблон. Для этого надо взять ровный кусок плотной древесностружечной плиты (ДСП) или щит из досок размером 540 × 480 мм (рис. 66) [1]. ![]() Рис. 66. Шаблон для сборки корпусов (мм) По периметру на щите закрепить на клее и шурупах внешние упорные планки высотой 40 мм и шириной 30 мм. На указанных расстояниях также закрепить внутренние упорные планки. От правильности расположения этих планок будут зависеть внутренние размеры корпусов, поэтому при установке этих планок надо выдерживать не только размеры 451 × 380 мм, но и контролировать прямоугольность углов по указанным на рисунке размерам двух диагоналей 589,7 мм. Перед окончательной сборкой корпуса надо предварительно подобрать четыре заготовки стенок. Смысл этой работы состоит в том, что места сплочения досок на углах корпусов не должны совпадать (рис. 67). ![]() Рис. 67. К подбору заготовок: а — неправильно; б — правильно Понятно, что корпус, собранный так, как показано в случае б, будет прочнее, чем в случае а. После такого подбора следует обозначить верх и низ на каждой заготовке, все четыре заготовки сложить в пакет и проконтролировать визуально однообразие их размеров по высоте. Если будут замечены небольшие несоответствия размеров заготовок по высоте, то надо их откалибровать (произвести дофуговку заготовок в составе пакета), то есть сделать все заготовки одинаковыми по высоте. После этого можно будет приступить к сборке корпуса. Для этого заготовки по одной ставят вертикально в шаблон и закрепляют их распорными клиньями (см. рис. 66). Когда все заготовки будут закреплены в шаблоне, надо обязательно проследить, чтобы верхние срезы всех заготовок лежали в одной плоскости, то есть чтобы не было «винта». Перекос досок в этом случае может быть следствием того, что в процессе закрепления распорными клиньями одна из заготовок случайно сдвинулась по высоте. Устраняют «винт» постукиванием молотком в нужном месте. Если все исходные размеры заготовок были выдержаны с необходимой точностью, то корпус «сядет» на шаблон плотно и без перекосов. Если этого не произойдет, то надо выяснить, что мешает, и произвести доводку этой заготовки. После этого снять с шаблона переднюю или заднюю стенку, выбив соответствующие клинья, промазать водоупорным клеем все места стыков и опять закрепить заготовку на своем месте. Опять проверить «винт» и начать скрепление углов. Самое надежное скрепление углов на саморезах. Затем точно так же закрепляется противоположная стенка (контроль «винта»!). Дальше убирают все распорные клинья и при помощи стамески корпус аккуратно снимают с его посадочного места на шаблоне. Если все сделано правильно, то получается ровный прочный корпус необходимых размеров, который надо поставить на сутки для высыхания клея. При необходимости окончательную доводку корпуса в пределах 1 мм можно произвести следующим образом. На обратную сторону шаблона для сборки корпусов закрепить лист наждачной шкурки, а затем поместить на нее корпус и короткими вращательными движениями влево-вправо убрать лишнее на кромках (рис. 68). ![]() Рис. 68. Доводка корпуса Внизу каждый корпус снаружи оббивают плинтусом — планками сечением 25×15 мм — так, чтобы 10 мм плинтуса выходили за пределы низа корпуса. Рекомендуется внутри каждого корпуса ставить метку о материале корпуса и дате его изготовления. Проще всего эти надписи сделать точками, получаемыми установкой острия гвоздика (самореза) в нужное место и ударяя молотком по головке гвоздя (самореза). После всех этих работ корпус полностью готов для его оснащения и покраски. Комплектация улья
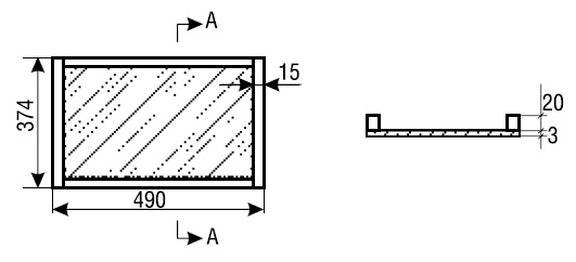
Комплектацию основных элементов улья рассмотрим на примере варианта современного многокорпусного улья, который включает глубокое дно, несколько корпусов на рамку 435 × 230 мм, подкрышник и крышу (рис. 69). ![]() Рис. 69. Многокорпусный улей (вариант) Глубокое дно является, пожалуй, наиболее сложным элементом для изготовления (см. рис. 17). Оно имеет такие же внешние и внутренние размеры, как и у корпусов, а высота его — 150 мм. В самом низу дна располагается вынимающийся в обе стороны поддон, а выше него — противоклещевая сетка (она тоже входит в состав дна), которая может выниматься только назад (рис. 70). ![]() Рис. 70. Противоклещевая сетка: а — вид сверху; б — вид сбоку Сборка рамки для сетки производится на клее и гвоздях, а прикрепление самой рамки к задней несущей дощечке надо обязательно проводить на водостойком клее при помощи длинных (45–50 мм) и тонких саморезов с обязательным проникновением их в торцы боковых планок рамки. Это делается потому, что иногда пчелы прикрепляют прополисом рамку сетки к стенкам дна, и, для того чтобы вынуть ее назад, надо приложить к несущей дощечке значительные усилия. По этой причине в противоклещевой сетке нет никаких ручек, так как вынимание сетки лучше производить при помощи пасечной стамески (той стороной, которая согнута под 90°). Высоты дощечки 45 мм вполне достаточно для того, чтобы это лезвие стамески можно было вставить сбоку в щель между дощечкой и ульем и потянуть ее вместе с сеткой на себя. На рамку сверху закрепляется сама сетка, которая должна иметь размер ячеек не меньше 2 мм и не больше 3 мм. Лучше, если это будет сетка из нержавеющей проволоки или из прочной прессованной пластмассы. Можно также сделать сетку из отходов тонкой оцинкованной стали, из которой делают сита для комбайнов, мельниц и пр. С нижней стороны рамки (для исключения доступа пчел) расположен нагревательный элемент открытого типа в виде спирали из нихромовой проволоки. Поддон представляет собой корыто из планок и ДВП или тонкого металла снизу (рис. 71). ![]() Рис. 71. Поддон |
![Иллюстрация к книге — Полный справочник пчеловода [i_097.jpg] Иллюстрация к книге — Полный справочник пчеловода [i_097.jpg]](img/book_covers/072/72455/i_097.jpg)
![Иллюстрация к книге — Полный справочник пчеловода [i_098.jpg] Иллюстрация к книге — Полный справочник пчеловода [i_098.jpg]](img/book_covers/072/72455/i_098.jpg)
![Иллюстрация к книге — Полный справочник пчеловода [i_099.jpg] Иллюстрация к книге — Полный справочник пчеловода [i_099.jpg]](img/book_covers/072/72455/i_099.jpg)
![Иллюстрация к книге — Полный справочник пчеловода [i_100.jpg] Иллюстрация к книге — Полный справочник пчеловода [i_100.jpg]](img/book_covers/072/72455/i_100.jpg)
![Иллюстрация к книге — Полный справочник пчеловода [i_101.jpg] Иллюстрация к книге — Полный справочник пчеловода [i_101.jpg]](img/book_covers/072/72455/i_101.jpg)
![Иллюстрация к книге — Полный справочник пчеловода [i_102.jpg] Иллюстрация к книге — Полный справочник пчеловода [i_102.jpg]](img/book_covers/072/72455/i_102.jpg)