Онлайн книга «Пулеметы России. Шквальный огонь»
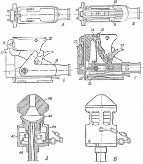
![]() Особенности устройства затвора станкового пулемета MG.08 ![]() Особенности устройства затвора и надульника станкового пулемета «Виккерс» ![]() Британский станковый пулемет «Виккерс» модели 1909 г. на треножном станке ![]() Германский станковый пулемет MG.08 на салазочном станке Пулемет обр. 1905 г. имел выдвижной или откидной стоечный прицел. Стебель выдвижного прицела с помощью маховичка устанавливался на высоту, соответствующую дальности стрельбы от 400 до 2000 м. У откидного прицела с помощью маховичка по вертикальному стеблю перемещался хомутик с целиком. Оба прицела имели механизм внесения боковых поправок за счет смещения целика по горизонтали. Пулемет обр. 1910 г. получил откидной стоечный прицел. Он крепился на крышке короба и состоял из стебля (стойки) с зубчатой рейкой, хомутика с поперечной трубкой для целика и маховичка с тормозом. Хомутик с помощью маховичка и шестерни перемещался по зубчатой рейке стойки. На стойке крепилась прицельная планка с делениями для наводки по дальности, а на трубке наносились деления для установки целика. Мушка треугольного сечения вставлялась в паз на приливе передней части кожуха. Длина прицельной линии — 911 мм. Высота мушки над осью канала ствола составляла 102,5 мм, так что точность крепления кожуха оказывала большое влияние на меткость стрельбы. Две рукоятки затыльника позволяли достичь ровного рассеивания пуль по фронту. Стоит отметить, что две вертикальные рукоятки управления сохранятся и на более поздних отечественных станковых пулеметах — ДС, СГ-43, СГМ. ![]() Финский станковый пулемет m32/33, хотя и имел в основе русский «Максим» обр. 1910 г., все же отличался от него. Обратим внимание хотя бы на металлическую патронную ленту, широкую горловину кожуха ствола (решение, впоследствии заимствованное для советского «Максима» обр. 1941 г.), усиленный надульник. Были и другие, менее заметные внешне отличия. Универсальный треножный станок выполнен на основе германского станка Dreifus 16. Емкость кожуха ствола составляла около 4,5 л, он имел наливное (сверху сзади) и сливное (спереди снизу) отверстия, прикрытые навинтованными пробками, а также пароотводное (сбоку). Внутри кожуха имелась пароотводная трубка. Дабы не потерять пробки, их крепили к кожуху цепочкой. Часть пулеметов имела кожух с продольным оребрением, повышавшим его жесткость и несколько увеличивавшим поверхность охлаждения, но позже от оребрения пришлось отказаться ради упрощения производства. Порядок разборки «Максима» обр. 1910 г. Разрядить пулемет, для чего: за рукоятку перезаряжания отвести затвор (замок) в заднее положение; утопив неподвижные пальцы на приемнике, извлечь ленту; отпустить рукоятку перезаряжания; еще раз взвести и отпустить затвор; произвести контрольный спуск. Нажав на защелку крышки короба, открыть крышку и снять приемник с пулемета. Повернуть рукоятку перезаряжания вперед до отказа и, взявшись за затвор, приподнять его вверх, возвращая рукоятку перезаряжания в исходное положение, повернуть затвор (замок) в поперечном направлении на 60° и отсоединить его от мотыля. Ослабить с помощью воротка натяжение возвратной пружины и снять весь возвратный механизм с короба пулемета. Выбить чеку затыльника и извлечь его вверх из направляющих выступов короба. Отделить правую и левую задвижки от короба пулемета, извлекая их назад. Извлечь из короба подвижные части: ствол, раму, ось с кривошипом и мотылем. Отделить ствол от рамы с кривошипом. Снять спусковую тягу. Отделить (отвернуть) дульное устройство от кожуха радиатора. Разобрать затвор (замок), для чего: спустить ударник с боевого взвода, выбить чеку и ось шатуна; вновь взвести ударник и отделить шатун от затвора; извлечь из фигурных пазов подъемные рычаги; снять личинку и вновь спустить ударник с боевого взвода, выводя из зацепления с ним автоспуск и шептало; выбить оси лодыжки и шептала, затем отделить последние от затвора вместе с боевой пружиной; выбив ось автоспуска, отделить его вместе с боевой пружиной; извлечь ударник из затвора. Сборку затвора (замка) и пулемета в целом производить в обратном порядке. При сборке затвора следует иметь в виду, что боевую пружину надо ставить на место после установки всех деталей затвора при переднем положении ударника длинным концом к личинке. ТАКТИКО-ТЕХНИЧЕСКИЕ ХАРАКТЕРИСТИКИ «МАКСИМА» ОБР. 1895 Г. (АНГЛИЙСКОГО ПРОИЗВОДСТВА) Патрон — 3-линейный обр.1891 г. Масса «тела» пулемета (без воды) — 28,2 кг. Длина «тела» пулемета — 1076 мм. Длина ствола — 518 мм. Длина прицельной линии — 889 мм. Темп стрельбы — 600 выстр./мин. Питание — холщовая лента на 250 патронов. Масса коробки с лентой на 250 патронов — 10,2 кг. Масса коробки с лентой на 450 патронов («крепостной» лафет) — 16,8 кг. ТАКТИКО-ТЕХНИЧЕСКИЕ ХАРАКТЕРИСТИКИ «МАКСИМА» ОБР. 1905 Г. Патрон — 7,62×54R (3-линейный обр. 1891 г.). Масса «тела» пулемета (без воды) — 28,25 кг. Длина «тела» пулемета — 1086 мм. Длина ствола — 720 мм. Начальная скорость пули — 617 м/с. Прицельная дальность — 2000 шагов (1422 м). Темп стрельбы — 500–600 выстр./мин. Боевая скорострельность — 250–300 выстр./мин. Питание — холщовая лента на 250 патронов. ТАКТИКО-ТЕХНИЧЕСКИЕ ХАРАКТЕРИСТИКИ «МАКСИМА» ОБР. 1910 Г. Патрон — 7,62×54R (3-линейный обр.1908 г.) Масса «тела» пулемета (без воды) — 18,43 кг. Длина «тела» пулемета — 1067 мм. Длина ствола — 720 мм. Длина нарезной части ствола — 665 мм. Число нарезов — 4. Тип нарезов — правосторонние, прямоугольные. Длина хода нарезов — 240 мм. |
![Иллюстрация к книге — Пулеметы России. Шквальный огонь [i_206.jpg] Иллюстрация к книге — Пулеметы России. Шквальный огонь [i_206.jpg]](img/book_covers/071/71017/i_206.jpg)
![Иллюстрация к книге — Пулеметы России. Шквальный огонь [i_207.jpg] Иллюстрация к книге — Пулеметы России. Шквальный огонь [i_207.jpg]](img/book_covers/071/71017/i_207.jpg)
![Иллюстрация к книге — Пулеметы России. Шквальный огонь [i_208.jpg] Иллюстрация к книге — Пулеметы России. Шквальный огонь [i_208.jpg]](img/book_covers/071/71017/i_208.jpg)
![Иллюстрация к книге — Пулеметы России. Шквальный огонь [i_209.jpg] Иллюстрация к книге — Пулеметы России. Шквальный огонь [i_209.jpg]](img/book_covers/071/71017/i_209.jpg)
![Иллюстрация к книге — Пулеметы России. Шквальный огонь [i_210.jpg] Иллюстрация к книге — Пулеметы России. Шквальный огонь [i_210.jpg]](img/book_covers/071/71017/i_210.jpg)