Книга Пулеметы России. Шквальный огонь, страница 87 – Семен Федосеев

Авторы: А Б В Г Д Е Ж З И Й К Л М Н О П Р С Т У Ф Х Ч Ш Ы Э Ю Я
Книги: А Б В Г Д Е Ж З И Й К Л М Н О П Р С Т У Ф Х Ц Ч Ш Щ Ы Э Ю Я
Бесплатная онлайн библиотека LoveRead.in

Онлайн книга «Пулеметы России. Шквальный огонь»

📃 Cтраница 87

Радиус рассеивания лучшей половины попаданий на дальности 100 м — 10 см при стрельбе одиночными и 15 см при стрельбе очередями.

СТАНКОВЫЕ И ЕДИНЫЕ ПУЛЕМЕТЫ И ИХ МОДИФИКАЦИИ

Станковый пулемет «Максим» обр.1910 г.

Пулеметы системы «Максим» даже формально прослужили в России полстолетия — с 1895 г., когда были закуплены первые партии, до 1945 г., т. е. конца Великой Отечественной войны. Реально они прослужили много дольше (в укрепрайонах, например). Рассмотрим наиболее распространенный образец «Максима» — станковый пулемет обр. 1910 г.

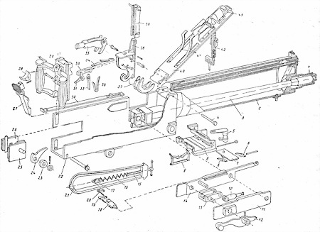
Пулемет состоял из следующих частей и механизмов: ствол; рама с механизмом запирания, барабаном, рукояткой и цепочкой; затвор (замок) с ударным механизмом, боевой личинкой, замочными и подъемными рычагами; спусковая тяга; клепаный короб с откидной крышкой; задвижки затыльника; затыльник с рукоятками управления, спусковым рычагом и предохранителем; возвратная пружина с коробкой (кожухом); приемник с механизмом подачи ленты; кожух ствола диаметром 118 мм с пароотводной и гильзоотводной трубкой, наливным и сливным отверстиями; надульник; прицельные приспособления.

Иллюстрация к книге — Пулеметы России. Шквальный огонь [i_200.jpg]

Схема устройства пулемета «Максим» обр. 1910 г.: ВГ — трубка замочных рычагов, ЕЖ — рукоятка перезаряжания (ускоритель), ЛМ — боевая личинка, НО — замочные рычаги, ПР — направляющая планка, СС — пружины для опускания боевой личинки

Иллюстрация к книге — Пулеметы России. Шквальный огонь [i_201.jpg]

Разрез пулемета «Максим» обр. 1910 г.: 1 — ствол, 2 — станина рам, 3 — ось шатуна, 4 — шатун, 5 — мотыль, 6 — рукоятка перезаряжания (ускоритель), 7 — барабанчик, 8 и 9 — цепочка, 10 — головка рукоятки, 13 — крючок возвратной пружины, 14 — ось мотыля, 15 — трубка замочных рычагов, 18 — замок, 19 — подъемные рычаги, 20 — боевая личинка, 25 — ролик, 34 — задержка, 35 — приемник, 36 — ползун, 37 — пальцы ползуна, 40 — стенка короба, 43 — коленчатый рычаг подающего механизма, 47 — дно короба, 48 — крышка короба, 50 — направляющие планки боевой личинки, 52 — левая стенка короба, 56 — правая задвижка, 57 — коробка возвратной пружины, 58 — выступ для присоединения коробки пружины, 59 — вороток для натяжения пружины, 60 — возвратная пружина, 61 — спусковая тяга, 62 — замыкатель затыльника, 64 — трубка рукояток затыльника, 65 — деревянные рукоятки затыльника, 67 — пробка масленки, 68 — прокладка пробки, 69 — пластинчатая пружина пробки, 70 — спусковой рычаг, 66 — дно рукоятки (масленки), 72 — угольник для скрепления стенок короба, 73 — предохранитель, 75 — пружина предохранителя, 76 — ось крышки, 77 — защелки крышки короба, 78 — пружина защелки, 79 — винт защелки, 80 — гнеток защелки, 81 — пружины для опускания боевой личинки, 82 — пресс, 83 — основание стойки прицела, 84 — пружина стойки, 85 — гнеток стойки, 86 — головка гнетка, 87 — крышки кожуха, 88 — кожух, 89 — дно кожуха, 90 — надульник, 91 — втулка надульника, 92 — колпачок, 93 — цепочка колпачка, 95 — направляющий вкладыш для удобства вставления ствола в кожух, 96 — пробка наливного отверстия, 91 — пробка выливного отверстия, 99 — пароотводная трубка, 100 — пароотводное отверстие, 101 — подвижная трубка, 102 — задний конец трубки пароотводного приспособления, 103 — вкладыш, 104 — головка трубки, 105 — контрвинт, 112 — отверстие трубки, 113 — выводная трубка для гильз, 114 — горбатая пружина, 115 — фиксатор гильз, 123 — маховичок, 126 — тормоз, 128 — мушка, 129 — основание мушки

Иллюстрация к книге — Пулеметы России. Шквальный огонь [i_202.jpg]

Детали и сборки пулемета «Максим»: 1 — надульник — усилитель отдачи, 2 — кожух радиатора, 3 — ствол, 4 — ось крышки, 5 и 7 — рычаг привода и ползун подачи, 6 и 9 — подающие и фиксирующие пальцы, 8 — корпус приемника, 10 — мотыль, 11 и 14 — короткая и длинная стенки рамы, 12 — рукоятка перезаряжания (ускоритель), 13 — кривошип, 15 — регулировочный винт возвратной пружины,16 — возвратная пружина, 17 — зацеп пружины, 18 — серьга, 19 и 20 — передающая цепь, 21 — кожух возвратного механизма, 22 — короб пулемета, 23 — ролик рукоятки, 24 — противоотскочная защелка, 25 и 26 — задвижки короба, 27 и 30 — спусковые рычаг и тяга, 28 — предохранитель, 29 — затыльник, 31 — лодыжка, 32 — шептало, 33 — ударник, 34 — автоспуск, 35 — шатун, 36 — боевая пружина, 37 — подъемные рычаги, 38 — затвор (замок), 39 — личинка затвора, 40 — крышка короба, 41 — пружины личинки, 42 — стойка прицела, 43 — защелка крышки

Автоматика действовала по схеме отдачи ствола с коротким ходом. Запирание канала ствола производилось системой из двух шарнирно сочлененных рычагов, передний из которых (шатун) был связан плоским шарниром с затвором (замком), а задний (мотыль) так же шарнирно крепился в задней части рамы, то есть рама играла роль ствольной коробки. На правый конец оси мотыля надевалась качающаяся рукоятка, на левый — барабан (эксцентрик) с цепочкой типа Галля. Цепочка была соединена с возвратной пружиной, крепившейся в отдельной коробке на левой стенке короба пулемета (из-за чего пружина иногда именовалась «боковой»). В замке был смонтирован ударник с двуперой пластинчатой боевой пружиной. Боевая личинка вертикально скользила в пазах замка, имела захваты для удержания гильзы и отверстие для прохода бойка, так что выстрел был возможен только при определенном положении личинки. Ударник взводился коленчатой лодыжкой и захватывался верхним предохранительным спуском, а лодыжка своим боевым взводом вставала на нижний спуск.

Спусковой рычаг в форме клавиши располагался между рукоятками управления и удерживался предохранителем. При стрельбе пулемет удерживался обеими руками.

Питание патронами — из холщовой ленты, механизм подачи ленты — ползунковый.

Для заряжания пулемета необходимо было: вставить холщовую патронную ленту наконечником в приемник справа и продернуть ее до отказа справа налево; за рукоятку перезаряжания взвести замок, продернуть вновь ленту до отказа и отпустить рукоятку; повторить эту операцию еще раз. Теперь патрон находился в патроннике, канал ствола был заперт замком, ударник удерживался на боевом взводе, автоспуск выключен.

Вход
Поиск по сайту
Ищем:
Календарь