Книга Водоснабжение, канализация и отопление загородного дома, страница 37 – Иван Никитко

Авторы: А Б В Г Д Е Ж З И Й К Л М Н О П Р С Т У Ф Х Ч Ш Ы Э Ю Я
Книги: А Б В Г Д Е Ж З И Й К Л М Н О П Р С Т У Ф Х Ц Ч Ш Щ Ы Э Ю Я
Бесплатная онлайн библиотека LoveRead.in

Онлайн книга «Водоснабжение, канализация и отопление загородного дома»

📃 Cтраница 37
Иллюстрация к книге — Водоснабжение, канализация и отопление загородного дома [i_108.jpg]

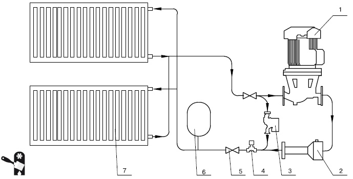
Рис. 3.23.Подключение кавитационного теплогенератора в систему отопления:1 – основной насос; 2 – кавитатор; 3 – циркуляционный насос; 4 – электромагнитный клапан; 5 – запорная арматура; 6 – мембранный расширительный бак; 7 – радиатор отопления


Однако, даже если котел не сломался, а благополучно работает, все равно могут возникнуть проблемы, требующие подключения вспомогательного оборудования. Причиной подобного может быть, к примеру, недоступность топлива. В сельской местности падение давления газа в магистрали не исключение, а скорее правило. Так же, как и возможные сбои в поставке газа, различные аварии на магистрали или отключение электричества. В таких случаях резервное отопительное оборудование, работающее на другом виде топлива, становится из роскоши прямой необходимостью.

Есть и еще один нюанс: изменяющаяся цена на различные виды топлива. На сегодняшний день электричество – самый дорогой вариант, но и цены на газ (самый дешевый в настоящее время вид топлива) растут, а цена на солярку такова, что проще установить электрический котел (по крайней мере имеются периоды, когда на электричество действует льготный тариф для отопления, а вот на солярку льготных тарифов нет). Но завтра ситуация может измениться. И подорожает, к примеру, твердое топливо. И котел, сегодня вполне удовлетворяющий требованиям эксплуатационных расходов – удобный и экономичный, начнет «выжигать» громадные дыры в семейном бюджете. Замена котла, модернизация системы отопления под новый тип отопительного оборудования – дело не пяти минут, да и не слишком дешевое. Другое дело, если заранее предусмотреть установку альтернативного оборудования с возможностью переключения с одного котла на другой при необходимости. Это повышает затраты на стадии организации отопления загородного дома, зато одновременно значительно возрастает надежность системы отопления, а также экономичность эксплуатации (всегда можно выбрать именно тот вид топлива, который будет наиболее экономичным на сегодняшний день).

Предусмотрительные владельцы загородных домов, не желая устанавливать несколько котлов разного типа (один в качестве основного, второй – в качестве вспомогательного, «аварийного»), приобретают универсальные (многотопливные) котлы, которые способны работать практически на любом топливе – на твердом, газообразном и жидком. Есть и такие котлы, которые имеют, кроме прочего, встроенные ТЭНы, то есть способны работать и как электрические отопительные котлы, и как твердотопливные, жидкотопливные, и как газовые котлы (Рис. 3.24).

Иллюстрация к книге — Водоснабжение, канализация и отопление загородного дома [i_109.jpg]

Рис. 3.24.Отопительный котел, рассчитанный на все виды топлива: 1 – подключение к дымовой трубе; 2 – очистной люк; 3 – змеевик; 4 – теплообменник ГВС; 5 – люк загрузки твердого топлива; 6 – отверстие под горелку; 7 – колосник; 8 – ТЭН


В таких универсальных котлах имеются камера для сжигания твердого топлива, отдельная камера для сжигания жидкого или газообразного топлива, ТЭН, а также возможность установки горелок как для газа, так и для жидкого топлива (это может быть как солярка, так и сжиженный газ). Таким образом, можно обеспечить свой дом всеми плюсами любого отопительного котла в зависимости от текущего момента и использовать то топливо, которое в данный момент является наиболее выгодным.

К минусам многотопливных котлов относится электрозависимость, довольно сложный монтаж, потребность в постоянной профилактике и техобслуживании, а также относительно сложное управление. Кроме того, если у вас имеется основной котел и резервный, работающий на другом виде топлива, и основной котел вышел из строя (или топливо для него стало недоступным), то можно подключить резервный. Но если функции основного и резервного котла выполняет многотопливный котел и он вышел из строя, то подключить вместо него уже нечего. Так что универсальный котел решает многие проблемы, кроме одной – возникающей при неисправности основного котла. Именно это снижает популярность котлов такого типа.

Иллюстрация к книге — Водоснабжение, канализация и отопление загородного дома [i_110.jpg]

Примечание

Многие убеждены: чем сложнее оборудование, тем чаще оно выходит из строя, и это в полной мере относится к многотопливным котлам – ведь они являются сложным оборудованием. Следует заметить, что универсальные котлы считаются более долговечными и надежными, чем однотопливные, они изготавливаются с повышенным запасом прочности (надежности) именно из-за того, что предназначены выполнять функции как основного, так и резервного отопительного оборудования.

К многотопливным котлам относятся и газовые/жидкотопливные котлы со сменными горелками, которые могут работать как с магистральным газом, так и с жидким топливом. Но к этим котлам настолько привыкли, что даже не считают их универсальными. Такие котлы используются в основном в тех случаях, когда ожидается подключение магистрального газа, а жидкое топливо является временным вариантом.

Одноконтурные и двухконтурные котлы

Выбрав отопительный котел по типу потребляемого топлива, следует задуматься о вариантах исполнения: одноконтурный или двухконтурный котел. То есть будет ваш котел обеспечивать отопление только дома, или вы доверите ему еще и горячее водоснабжение.

Разница между одноконтурным и двухконтурным отопительными котлами – в количестве теплообменников: в одноконтурном имеется один теплообменник, через который проходит теплоноситель (вода или антифризы), а в двухконтурном – два теплообменника, через которые проходят теплоносители, причем один из теплообменников предназначен для обеспечения подогретым теплоносителем системы отопления, а второй – для подогрева воды для хозяйственных и бытовых нужд. При этом одноконтурная отопительная система работает от одноконтурного котла, а двухконтурная может работать как от двухконтурного, так и от одноконтурного. Чтобы двухконтурная отопительная система могла работать от одноконтурного котла, достаточно подключить к такому котлу бойлер для системы горячего водоснабжения.

Если вам нужно не слишком много горячей воды (до 15 л/мин), при этом не слишком высокой температуры (до +30 °C), то можно использовать двухконтурный отопительный котел проточного типа – со встроенным змеевиком. Такой котел несущественно дороже одноконтурного, а наличие встроенного змеевика практически не увеличивает габариты котла. Но если требуется полноценное горячее водоснабжение, то приходится использовать двухконтурный отопительный котел со встроенным бойлером. Таким образом, обеспечивается запас 45–60 л горячей воды (если необходимо обеспечить горячей водой несколько точек водоразбора и при этом есть вероятность их одновременной работы, желательно использовать бойлер большего объема – 200 л и более, в зависимости от потребности в горячей воде и количества одновременно работающих точек водоразбора).

Вход
Поиск по сайту
Ищем:
Календарь