Книга Математика жизни и смерти. 7 математических принципов, формирующих нашу жизнь, страница 33 – Кит Йейтс

Авторы: А Б В Г Д Е Ж З И Й К Л М Н О П Р С Т У Ф Х Ч Ш Ы Э Ю Я
Книги: А Б В Г Д Е Ж З И Й К Л М Н О П Р С Т У Ф Х Ц Ч Ш Щ Ы Э Ю Я
Бесплатная онлайн библиотека LoveRead.in

Онлайн книга «Математика жизни и смерти. 7 математических принципов, формирующих нашу жизнь»

📃 Cтраница 33

На деле это соотношение следует трактовать как вероятность того, что профиль ДНК случайно выбранного из всего населения человека будет совпадать с профилем ДНК спермы, найденной на месте преступления. Учитывая, что на тот момент в Великобритании насчитывалось около 30 миллионов мужчин, таких совпадений можно было ожидать у десятерых из них, что резко увеличивало вероятность невиновности Дина – с почти невозможной при соотношении один к трем миллионам до весьма вероятной при соотношении девять к десяти. Конечно, не все из 30 миллионов мужчин в Великобритании были возможными подозреваемыми. Однако даже если ограничиться семью миллионами мужчин, живущих в пределах часа езды от центра Манчестера, мы все равно сможем ожидать, что по крайней мере еще один мужчина соответствует профилю, что делало шансы на виновность или невиновность Дина равновероятными: один к одному. Ошибка прокурора привела к тому, что присяжные посчитали виновность Дина в миллионы раз более вероятной, чем это предполагали улики.

На самом деле даже результаты анализа ДНК, которые связывали Дина с преступлениями, были не столь убедительными, как утверждал эксперт. Во время апелляционных слушаний было показано, что ДНК Дина и ДНК, найденная на месте преступления, совсем не настолько схожи, как предполагалось изначально. Вместо одного к трем миллионам шанс случайного совпадения с кем-то, кроме Дина, на деле составлял примерно 1 к 2500, что значительно повышает вероятность невиновности Дина. В сочетании с более чем тремя миллионами мужчин, находившихся неподалеку от места преступления, это дает свыше 1000 других потенциально подходящих человек, так что вероятность вины Дина, исходя из анализа ДНК, оказывается менее 1 к 1000. Новая трактовка судебно-медицинских доказательств и признание, что и прежний судья, и свидетель-эксперт совершили ошибку прокурора, привели к отмене приговора Дину.

Нокс и нож

Еще одним делом, в котором трактовка результатов анализа ДНК вместе с вычислением вероятностей сыграли ключевую роль, был случай убийства британской студентки Мередит Керчер. В 2007 году в итальянском городе Перуджа Керчер зарезали ножом в квартире, где она жила вместе со своей подругой – студенткой по обмену Амандой Нокс. Два года спустя, в 2009 году, Нокс и ее итальянский экс-бойфренд Рафаэле Соллесито были единогласным решением присяжных осуждены за убийство Керчер. Решающим доказательством обвинения стал нож, размер и форма которого соответствовали некоторым ранам, нанесенным Керчер. Нож был найден на кухне Соллесито, а на его рукоятке обнаружена ДНК Нокс, связывающая и Соллесито, и Нокс с орудием убийства. На лезвии ножа был обнаружен образец другой ДНК – совсем небольшой, всего лишь несколько клеток. Выделенный из этих клеток профиль ДНК совпал с профилем жертвы.

В 2011 году Нокс и Соллесито подали апелляцию на свои длительные тюремные приговоры. Адвокаты защиты сосредоточились в первую очередь на дискредитации единственного доказательства, которое физически связывало Нокс и Соллесито с убийством, – следы ДНК на ноже.

Почти у каждого (за исключением однояйцовых близнецов) есть собственный уникальный геном – последовательность азотистых оснований аденина (А), гуанина (G), тимина (Т) и цитозина (С), характерных для длинных цепочек ДНК в каждой клетке. Если сосчитать и сохранить каждую из примерно трех миллиардов пар оснований в геноме человека, то полученная последовательность стала бы поистине уникальным идентификационным кодом [101]. Однако в суде (и в базах данных ДНК) используется (и хранится) отнюдь не полный профиль генома. Когда речь об использовании профилей ДНК зашла впервые, создание полного профиля генома требовало обработки слишком большого объема данных, занимало слишком много времени и стоило баснословно дорого. Для сравнения двух профилей также требовалось чересчур много времени, так что оно было нецелесообразно.

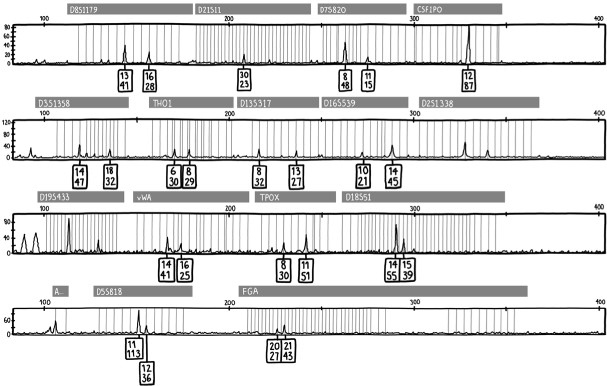
Вместо этого профиль ДНК формируется путем анализа 13 конкретных участков ДНК человека. Эти участки называются локусами. Поскольку мы наследуем по одной хромосоме в каждой паре от каждого из наших родителей, с каждым локусом связано по две области ДНК. Каждая из этих областей частично состоит из короткого тандемного повтора – небольшого, многократно повторяющегося сегмента ДНК. У каждого человека количество повторений в конкретном локусе специфично. Фактически эти 13 локусов выбраны именно из-за такого разнообразия числа повторяющихся сегментов – количество различных комбинаций таких повторов по 13 локусам астрономически велико. Таким образом профиль ДНК – это всего лишь перечень повторов в каждом локусе, который можно считать по диаграмме, известной как электрофореграмма. Электрофореграмма представляет собой необработанную последовательность ДНК и немного похожа на показания сейсмометра (прибора, используемого для измерения силы землетрясений), где на фоне низкоуровневого шума в определенных позициях, соответствующих каждому из локусов профиля ДНК, выделяются характерные пики. Электрофореграмма для образца с лезвия ножа показана на рис. 12.

Создание индивидуальной электрофореграммы можно сравнить с записью результатов двух последовательных серий бросков тринадцати 18-гранных кубиков. Идеальное совпадение двух случайно выбранных профилей ДНК можно сравнить с выпадением одной и той же последовательности значений на гранях кубиков. В идеальных условиях вероятность совпадения профилей двух случайно выбранных, не связанных между собой человек составляет менее одного на сто триллионов, что, по сути, делает профиль ДНК уникальным идентификатором. Точное совпадение пиков на двух электрофореграммах дает основание заключить, что они принадлежат одному и тому же человеку.

Иллюстрация к книге — Математика жизни и смерти. 7 математических принципов, формирующих нашу жизнь [i_020.jpg]

Рис. 12. Электрофореграмма из образца ДНК (предположительно принадлежавшего Мередит Керчер) с лезвия ножа. Маркированы пики, соответствующие 13 локусам, используемым в стандартном профиле ДНК. В некоторых случаях виден только один пик, что указывает на то, что владелец образца унаследовал от родителей одинаковое количество повторов для этого локуса. Верхнее число в каждой графе дает количество повторений сегмента ДНК. Нижнее число показывает силу сигнала, отображенную высотой пика. Сила сигнала большинства пиков ниже требуемого минимума в 50


Иногда совпадения ДНК могут быть неоднозначными, так как в силу возраста или качества образца ДНК профиль удается восстановить лишь частично, так что сигнал удается получить не в каждом локусе. Частичные профили, разумеется, надежного совпадения профиля ДНК не дают. Бывает также, что фоновый шум, возникающий во время анализа образца, заглушает сигнал, поступающий на электрофореграмму – особенно часто такая ситуация происходит с небольшими образцами. Поэтому анализ должен опираться на общепринятые стандарты уровня сигнала в профиле ДНК. Это и была единственная надежда адвокатов Нокс.

Вход
Поиск по сайту
Ищем:
Календарь