Онлайн книга «Код. Тайный язык информатики»
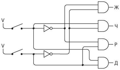
![]() Результаты работы вентиля ИЛИ можно представить в виде таблицы. Вентиль ИЛИ также может иметь более двух входов. Выход такого вентиля равен 1, если любой из его входов равен 1; выход вентиля равен 0, если все его входы равны 0. Ранее я объяснил, что используемые нами реле называются двухпозиционными, потому что их выходы могут быть подключены двумя разными способами. Как правило, при разомкнутом переключателе лампочка не горит. ![]() При замыкании переключателя лампочка загорается. Кроме того, вы можете использовать другой контакт, чтобы лампочка загоралась при размыкании переключателя. ![]() В этом случае лампочка будет гаснуть при замыкании переключателя. Подключенное таким способом одиночное реле называется инвертором. Инвертор не является логическим вентилем (логические вентили всегда имеют два или более входов), однако он часто оказывается очень полезным и изображается с помощью специального символа. ![]() Данная схема называется инвертором, потому что она инвертирует 0 (отсутствие напряжения) в 1 (наличие напряжения) и наоборот. ![]() Теперь, когда у нас есть инвертор, вентиль И и вентиль ИЛИ, мы можем приступить к созданию пульта управления, который позволит автоматизировать выбор идеальной кошки. Начнем с переключателей. Первый переключатель в замкнутом состоянии соответствует кошке, в разомкнутом — коту. Так мы сможем генерировать два сигнала, которые обозначим Ж и М. ![]() Ж равно 1, М равно 0, и наоборот. Аналогично второй переключатель соответствует стерилизованной кошке в замкнутом состоянии, нестерилизованной — в разомкнутом. ![]() Со следующими двумя переключателями дело обстоит чуть сложнее. Различные комбинации должны соответствовать четырем разным цветам. Вот два переключателя, подключенных к источнику питания. ![]() Когда оба переключателя разомкнуты (как показано на рисунке), они соответствуют белому цвету. Вот как можно использовать два инвертора и один вентиль И для того, чтобы сгенерировать сигнал, обозначенный буквой Б, который будет равен 1 (наличие напряжения), если вы выбрали белую кошку, и 0 (отсутствие напряжения), если не выбрали. ![]() Когда переключатели разомкнуты, входы обоих инверторов равны 0. Таким образом, оба выходных сигнала инверторов (которые подаются на входы вентиля И) равны 1. Это означает, что выход вентиля И равен 1. При замыкании любого из переключателей выход вентиля И будет равен 0. Чтобы выбрать черную кошку, мы замыкаем первый переключатель. Это можно сделать, используя один инвертор и вентиль И. ![]() Выход вентиля И будет равен 1 только в том случае, если первый переключатель замкнут, а второй — разомкнут. Аналогично замыкание второго переключателя будет означать выбор рыжей кошки. ![]() Замыкание обоих переключателей означает, что нам нужна кошка «другого» цвета. ![]() Теперь давайте объединим описанные выше четыре небольшие схемы в одну. (Как обычно, черными точками обозначаются соединения проводов; провода, на пересечениях которых черных точек нет, не соединены.) ![]() Понимаю, в этих хитросплетениях проводов сложно разобраться. Однако если вы внимательно проследите, откуда подаются сигналы на входы каждого из вентилей И, и проигнорируете то, куда еще они идут, то увидите, что схема работает. Если оба переключателя разомкнуты, выход Б будет равен 1, а остальные — 0. Если первый переключатель замкнут, выход Ч будет равен 1, а остальные — 0 и т. д. Для соединения вентилей и инверторов существует несколько простых правил: выход одного вентиля (или инвертора) может являться входом одного или нескольких других вентилей (инверторов). Однако выходы двух или более вентилей (инверторов) никогда не соединяются друг с другом. Эта схема, состоящая из четырех вентилей И и двух инверторов, называется дешифратором двух линий на четыре. На его вход подается два бита, которые в различных комбинациях могут представлять четыре разных значения. На его выходе образуются четыре сигнала, лишь один из которых равен 1 в любой момент времени (какой конкретно, зависит от входных значений). По аналогичному принципу вы можете создать дешифратор трех линий на восемь или дешифратор четырех линий на шестнадцать и т. д. Еще раз приведу упрощенное логическое выражение для выбора кошки: (С × ((М × (Б + Р)) + (Ж × (1 − Б)))) + Ч. Каждому знаку «+» в этом выражении должен соответствовать вентиль ИЛИ, а каждому знаку «×» — вентиль И. ![]() Порядок символов слева от схемы соответствует их порядку в выражении. Эти сигналы поступают от переключателей, соединенных с инверторами и дешифратором «2 на 4». Обратите внимание на использование инвертора для реализации части выражения 1 − Б. Вы можете подумать, что в схеме используется слишком много реле, и это действительно так. В ней присутствуют два реле для каждого вентиля И и ИЛИ и одно реле для каждого инвертора. Могу лишь посоветовать привыкнуть к такому положению дел. В следующих главах мы будем использовать гораздо больше реле. Просто радуйтесь, что вам не придется покупать реле и собирать эти схемы дома. |
![Иллюстрация к книге — Код. Тайный язык информатики [i_154.jpg] Иллюстрация к книге — Код. Тайный язык информатики [i_154.jpg]](img/book_covers/084/84993/i_154.jpg)
![Иллюстрация к книге — Код. Тайный язык информатики [i_155.jpg] Иллюстрация к книге — Код. Тайный язык информатики [i_155.jpg]](img/book_covers/084/84993/i_155.jpg)
![Иллюстрация к книге — Код. Тайный язык информатики [i_156.jpg] Иллюстрация к книге — Код. Тайный язык информатики [i_156.jpg]](img/book_covers/084/84993/i_156.jpg)
![Иллюстрация к книге — Код. Тайный язык информатики [i_157.jpg] Иллюстрация к книге — Код. Тайный язык информатики [i_157.jpg]](img/book_covers/084/84993/i_157.jpg)
![Иллюстрация к книге — Код. Тайный язык информатики [i_158.jpg] Иллюстрация к книге — Код. Тайный язык информатики [i_158.jpg]](img/book_covers/084/84993/i_158.jpg)
![Иллюстрация к книге — Код. Тайный язык информатики [i_159.jpg] Иллюстрация к книге — Код. Тайный язык информатики [i_159.jpg]](img/book_covers/084/84993/i_159.jpg)
![Иллюстрация к книге — Код. Тайный язык информатики [i_160.jpg] Иллюстрация к книге — Код. Тайный язык информатики [i_160.jpg]](img/book_covers/084/84993/i_160.jpg)
![Иллюстрация к книге — Код. Тайный язык информатики [i_161.jpg] Иллюстрация к книге — Код. Тайный язык информатики [i_161.jpg]](img/book_covers/084/84993/i_161.jpg)
![Иллюстрация к книге — Код. Тайный язык информатики [i_162.jpg] Иллюстрация к книге — Код. Тайный язык информатики [i_162.jpg]](img/book_covers/084/84993/i_162.jpg)
![Иллюстрация к книге — Код. Тайный язык информатики [i_163.jpg] Иллюстрация к книге — Код. Тайный язык информатики [i_163.jpg]](img/book_covers/084/84993/i_163.jpg)
![Иллюстрация к книге — Код. Тайный язык информатики [i_164.jpg] Иллюстрация к книге — Код. Тайный язык информатики [i_164.jpg]](img/book_covers/084/84993/i_164.jpg)
![Иллюстрация к книге — Код. Тайный язык информатики [i_165.jpg] Иллюстрация к книге — Код. Тайный язык информатики [i_165.jpg]](img/book_covers/084/84993/i_165.jpg)
![Иллюстрация к книге — Код. Тайный язык информатики [i_166.jpg] Иллюстрация к книге — Код. Тайный язык информатики [i_166.jpg]](img/book_covers/084/84993/i_166.jpg)
![Иллюстрация к книге — Код. Тайный язык информатики [i_167.jpg] Иллюстрация к книге — Код. Тайный язык информатики [i_167.jpg]](img/book_covers/084/84993/i_167.jpg)