Онлайн книга ««Зверобои». Убийцы «Тигров»»
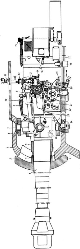
![]() 122-мм пушка А-19 образца 1931 года. ![]() Самоходная установка ИСУ-122 и тяжелый танк ИС-2 на одной из дорог Трансильвании. Румыния, 3-й Украинский фронт, сентябрь 1944 года. Для внешней радиосвязи на машинах устанавливались радиостанции 10Р или 10РК, для внутренней — переговорное устройство ТПУ-4-БИС-Ф. Для связи с десантом на корме имелась кнопка звуковой сигнализации. Уже в начале 1944 года выпуск ИСУ-152 стал сдерживаться нехваткой орудий МЛ-20. Предвидя такую ситуацию, на артиллерийском заводе № 9 в Свердловске наложили ствол 122-мм корпусной пушки А-19 на люльку орудия МЛ-20C и в результате получили тяжелый артсамоход ИСУ-122 («объект 242»). Опытный образец установки в декабре 1943 года проходил испытания на Гороховецком полигоне. Постановлением ГКО от 12 марта 1944 года ИСУ-122 была принята на вооружение Красной Армии. Серийное производство машины началось на ЧКЗ с апреля 1944 года и продолжалось до сентября 1945-го. ИСУ-122 представляла собой вариант САУ ИСУ-152, в котором 152-мм гаубица-пушка MЛ-20C была заменена на 122-мм пушку А-19 обр. 1931/37 гг. При этом пришлось несколько изменить и подвижную бронировку орудия. Высота линии огня составляла 1790 мм. В мае 1944 года в конструкцию ствола пушки А-19 были внесены изменения, которые нарушили взаимозаменяемость новых стволов с ранее выпущенными. ![]() Общий вид 122-мм самоходной пушки обр. 1944 г.: 1 — ствол; 2 — подвижная бронировка; 3 — резиновый буфер; 4 — неподвижная бронировка; 5 — муфта; 6 — рама; 7 — верхняя вертикальная цапфа; 8 — уравновешивающий механизм; 9 — телескопический шарнирный прицел; 10 — тормоз отката; 11 — панорама; 12 — боковой уровень; 13 — удлинитель прицела; 14 — рукоятка маховика панорамного прицела; 15 — ручка рукоятки затвора; 16 — спусковой механизм; 17 — уравновешивающий груз ограждения; 18 — реле электроспуска; 19 — маховик поворотного механизма; 20 — маховик подъемного механизма; 21 — подъемный механизм; 22 — поворотный механизм; 23 — привод панорамного прицела; 24 — регулирующая гайка; 25 — вертикальная нижняя цапфа; 26 — люлька. Модернизированное орудие получило наименование «122-мм самоходная пушка обр. 1931/44 гг». Оба орудия имели поршневой затвор. Длина ствола составляла 46,3 калибра. Устройство пушки А-19 во многом было одинаково с MЛ-20C. Она отличалась от последней стволом меньшего калибра с увеличенной на 730 мм длиной, отсутствием дульного тормоза и меньшим числом нарезов. Для наведения орудия использовались подъемный механизм секторного типа и поворотный механизм винтового типа. Углы вертикальной наводки составляли от -3° до +22°, по горизонтали — в секторе 10°. Для предохранения подъемного механизма от инерционных нагрузок в его конструкцию было введено сдающее звено в виде конусной фрикционной муфты, размещенной между червячным колесом и шестерней подъемного механизма. При стрельбе использовались телескопический прицел СТ-18, который отличался от прицела СТ-10 только нарезкой шкал, и панорамный прицел с полунезависимой или с независимой линией прицеливания (панорама Герца). Дальность стрельбы прямой наводкой составляла 5000 м, наибольшая — 14 300 м. Скорострельность — 2–3 выстр./мин. В боекомплект установки входили 30 выстрелов раздельно-гильзового заряжания с бронебойно-трассирующим остроголовым снарядом БР-471 и бронебойно-трассирующим снарядом с баллистическим наконечником БР-471Б, а также осколочно-фугасными пушечными гранатами: цельнокорпусной короткой ОФ-471Н, с привинтной головкой и длинной — ОФ-471. Начальная скорость бронебойного снаряда при массе 25 кг составляла 800 м/с. Дополнительно в боевом отделении укладывались два пистолета-пулемета ППШ (ППС) с боекомплектом 1491 патрон (21 диск) и 25 ручных гранат Ф-1. С октября 1944 года на части машин устанавливался зенитный пулемет ДШК с боекомплектом 250 патронов. В апреле 1944 года в КБ завода № 100 была создана самоходно-артиллерийская установка ИСУ-122С (ИСУ-122-2, «объект 249»), представлявшая собой модернизированный вариант ИСУ-122. В июне установка прошла испытания на АНИОПе в Гороховце, а 22 августа 1944 года была принята на вооружение. В том же месяце начали ее серийное производство на ЧКЗ параллельно с ИСУ-122 и ИСУ-152, которое продолжалось до сентября 1945 года. ![]() ИСУ-152 на одной из площадей освобожденного Львова. 27 июля 1944 года. ![]() Боевые машины 374-го тяжелого самоходно-артиллерийского полка 4-й танковой армии перед наступлением. Район Львова, июль 1944 года. ИСУ-122С была создана на базе ИСУ-122 и отличалась от нее установкой пушки Д-25С обр. 1944 года с горизонтальным клиновым полуавтоматическим затвором и дульным тормозом. Высота линии огня составляла 1795 мм. Длина ствола — 48 калибров. За счет более компактных противооткатных устройств и казенной части пушки удалось повысить скорострельность до 6 выстр./мин. Углы вертикальной наводки составляли от -3° до +20°, по горизонтали — в секторе 10° (7° вправо и 3° влево). Прицелы пушки — телескопический ТШ-17 и панорама Герца. Дальность стрельбы прямой наводкой — 5000 м, максимальная — до 15 ООО м. Боекомплект — такой же, как у пушки А-19. Внешне СУ-122С отличалась от СУ-122 стволом орудия и новой литой маской толщиной 120–150 мм. С 1944 по 1947 год было изготовлено 2790 самоходных установок ИСУ-152, 1735 — ИСУ-122 и 675 — ИСУ-122С. Таким образом, суммарный выпуск тяжелых артсамоходов — 5200 штук — превысил число изготовленных тяжелых танков ИС — 4499 единиц. Следует отметить, что, как и в случае с ИС-2, к выпуску самоходных орудий на его базе должен был подключиться Ленинградский Кировский завод. До 9 мая 1945 года там собрали первые пять ИСУ-152, а до конца года — еще сто. В 1946 и 1947 годах производство ИСУ-152 осуществлялось только на ЛКЗ. С весны 1944 года тяжелые самоходно-артиллерийские полки СУ-152 перевооружались установками ИСУ-152 и ИСУ-122. Их переводили на новые штаты и всем присваивали звание гвардейских. Всего до конца войны было сформировано 56 таких полков, в каждом имелась 21 машина ИСУ-152 или ИСУ-122 (часть из этих полков — смешанного состава). 1 марта 1945 года 143-я отдельная танковая Невельская бригада в Белорусско-Литовском военном округе была переформирована в 66-ю гвардейскую Невельскую тяжелую самоходно-артиллерийскую бригаду РВГК трехполкового состава (1804 человека, 65 ИСУ-122 и три СУ-76). ![]() Командир ИСУ-122 гвардии лейтенант В.П. Орлова и ее муж — механик-водитель гвардии лейтенант Н.Н. Орлов. 3-й Прибалтийский фронт, октябрь 1944 года. |
![Иллюстрация к книге — «Зверобои». Убийцы «Тигров» [i_080.jpg] Иллюстрация к книге — «Зверобои». Убийцы «Тигров» [i_080.jpg]](img/book_covers/077/77472/i_080.jpg)
![Иллюстрация к книге — «Зверобои». Убийцы «Тигров» [i_081.jpg] Иллюстрация к книге — «Зверобои». Убийцы «Тигров» [i_081.jpg]](img/book_covers/077/77472/i_081.jpg)
![Иллюстрация к книге — «Зверобои». Убийцы «Тигров» [i_082.jpg] Иллюстрация к книге — «Зверобои». Убийцы «Тигров» [i_082.jpg]](img/book_covers/077/77472/i_082.jpg)
![Иллюстрация к книге — «Зверобои». Убийцы «Тигров» [i_083.jpg] Иллюстрация к книге — «Зверобои». Убийцы «Тигров» [i_083.jpg]](img/book_covers/077/77472/i_083.jpg)
![Иллюстрация к книге — «Зверобои». Убийцы «Тигров» [i_084.jpg] Иллюстрация к книге — «Зверобои». Убийцы «Тигров» [i_084.jpg]](img/book_covers/077/77472/i_084.jpg)
![Иллюстрация к книге — «Зверобои». Убийцы «Тигров» [i_085.jpg] Иллюстрация к книге — «Зверобои». Убийцы «Тигров» [i_085.jpg]](img/book_covers/077/77472/i_085.jpg)