Онлайн книга ««Черная кошка» Панцерваффе»
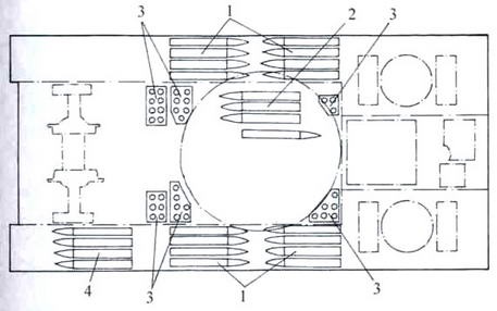
![]() Компоновка башни танка Panther Ausf D: 1 — кронштейн крепления пушки по-походному; 2 — спаренный пулемет: 3 — сиденье заряжающего: 4 — стопор башни: 5 — сиденье командира танка; 6 — сиденье наводчика; 7 — телескопический бинокулярный прицел TZF 12а; 8 — маска пушки; 9 — механизм поворота башни; 10— цилиндр накатника: 11 — цилиндр тормоза отката ![]() Загрузка 75-мм выстрелов через командирский люк танка ![]() Схема укладки боекомплекта 75-мм выстрелов: 1 — укладка в нишах корпуса; 2 — укладка на полу боевого отделения; 3 — вертикальная укладка; 4 — укладка в отделении управления
Танки Ausf.D оснащались бинокулярным телескопическим ломающимся прицелом TZF12, a Ausf.A и G — монокулярным TZF12a. При изменении вертикального угла установки вооружения изменялось и положение объективной части прицелов, окулярная же часть оставалась неподвижной, что обеспечивало работу с вооружением на всем диапазоне вертикального угла наведения без изменения положения стреляющего. Прицелы изготавливались фирмой Karl Zeiss в Йене. Бинокулярный прицел состоял из двух труб, левая из которых отличалась от правой отсутствием сетки со шкалами прицеливания. Он имел 2,5-кратное увеличение и поле зрения 30°. ![]() Советские солдаты осматривают подбитую «Пантеру» Ausf.D. Курская дуга, июль 1943 года. Высота линии огня у «Пантеры» составляла 2260 мм — рукой не достать! ![]() Пулемет MG 34 в шаровой установке ![]() «Пантера» Ausf.A. Эта машина находится в экспозиции французского танкового музея в Самюре Основным недостатком бинокулярного прицела TZF12 было малое увеличение, обеспечивавшее ведение прицельного огня на дистанциях не свыше 2000 м, что не позволяло в полной мере использовать великолепные баллистические характеристики пушки KwK 42. Монокулярный прицел TZF12a по устройству представлял собой правую трубу бинокулярного прицела, но в отличие от последнего имел переменное увеличение — 2,5- и 5-кратное. Поле зрения соответственно составляло 30° и 15°. Прицел TZF12a обеспечивал ведение прицельного огня на дистанциях до 4000 м. Боекомплект пушки состоял из 79 выстрелов у Ausf.D и А и 82 выстрелов у Ausf.G. Выстрелы укладывались в нишах подбашенной коробки, в отделении управления и боевом отделении. Боекомплект пулеметов для модификаций D и А составлял 5100, а для G — 4800 патронов. В качестве вспомогательного вооружения танки модификаций А и G оснащались «устройством ближнего боя» (Nahkampfgerat) — мортиркой калибра 26 мм, в боекомплект которой входили дымовые (12 шт.), осколочные (20 шт.) и осколочно-зажигательные (24 шт.) снаряды. Мортирка располагалась в правой задней части крыши башни. ДВИГАТЕЛЬ И ТРАНСМИССИЯ. На танке «Пантера» устанавливался 12-цилиндровый карбюраторный четырехтактный двигатель Maybach HL-230P3O мощностью 700 л .с. (515 кВт) при 3000 об/мин (на практике число оборотов не превышало 2500). Диаметр цилиндра 130 мм. Ход поршня 145 мм. Цилиндры располагались V-образно под углом 60°. Степень сжатия 6,8. Сухая масса двигателя 1200 кг. Топливо — этилированный бензин с октановым числом не ниже 74. Емкость пяти бензобаков 730 л. Подача топлива принудительная, с помощью четырех диафрагменных насосов Solex. Карбюраторов — четыре, марки Solex 52FFJIID. Система смазки — циркуляционная, под давлением, с сухим картером. Циркуляция масла осуществлялась тремя шестеренчатыми насосами, из которых один нагнетающий и два отсасывающих. Система охлаждения — жидкостная. Радиаторов — четыре, соединенных по два последовательно. Емкость радиаторов — около 170 л. По обеим сторонам двигателя располагались вентиляторы типа Zyklon. Для ускорения запуска двигателя в холодное время года предназначался термосифонный подогреватель, отапливаемый паяльной лампой, которая устанавливалась с наружной стороны кормового листа корпуса. ![]() Схема трансмиссии танка ![]() Завязшая в болоте и брошенная экипажем «Пантера» модели G. Восточная Пруссия, 1944 год. Видны открытые люки над двигателем, кормовой башенный и командирский. Крышка люка механика- водителя оторвана Трансмиссия состояла из карданной передачи,трехдискового главного фрикциона сухого трения, коробки передач АК 7-200, механизма поворота фирмы MAN, бортовых передач и дисковых тормозов типа LG 900. Коробка передач — трехвальная, с продольным расположением валов, семиступенчатая, пятиходовая, с постоянным зацеплением шестерен и простыми (безынерционными) конусными синхронизаторами для включения передач со 2-й по 7-ю. Картер коробки передач центрировался и жестко соединялся с картером механизма поворота, образуя единый монтажно-демонтажный агрегат (с общими внутренним объемом и системой смазки) трансмиссии: двухпоточный механизм передач и поворота. Механизм поворота состоял из двух планетарных редукторов. К бортовым передачам мощность подводилась короткими поперечными валами с зубчатыми муфтами на концах. Центровочные работы при сборке танка были сведены таким образом к минимуму, но монтаж и демонтаж механизма передач и поворота из сварной носовой части броневого корпуса представляли собой весьма трудоемкую операцию. |
![Иллюстрация к книге — «Черная кошка» Панцерваффе [img_33.jpg] Иллюстрация к книге — «Черная кошка» Панцерваффе [img_33.jpg]](img/book_covers/077/77236/img_33.jpg)
![Иллюстрация к книге — «Черная кошка» Панцерваффе [img_34.jpg] Иллюстрация к книге — «Черная кошка» Панцерваффе [img_34.jpg]](img/book_covers/077/77236/img_34.jpg)
![Иллюстрация к книге — «Черная кошка» Панцерваффе [img_35.jpg] Иллюстрация к книге — «Черная кошка» Панцерваффе [img_35.jpg]](img/book_covers/077/77236/img_35.jpg)
![Иллюстрация к книге — «Черная кошка» Панцерваффе [img_36.jpg] Иллюстрация к книге — «Черная кошка» Панцерваффе [img_36.jpg]](img/book_covers/077/77236/img_36.jpg)
![Иллюстрация к книге — «Черная кошка» Панцерваффе [img_37.jpg] Иллюстрация к книге — «Черная кошка» Панцерваффе [img_37.jpg]](img/book_covers/077/77236/img_37.jpg)
![Иллюстрация к книге — «Черная кошка» Панцерваффе [img_38.jpg] Иллюстрация к книге — «Черная кошка» Панцерваффе [img_38.jpg]](img/book_covers/077/77236/img_38.jpg)
![Иллюстрация к книге — «Черная кошка» Панцерваффе [img_39.jpg] Иллюстрация к книге — «Черная кошка» Панцерваффе [img_39.jpg]](img/book_covers/077/77236/img_39.jpg)
![Иллюстрация к книге — «Черная кошка» Панцерваффе [img_40.jpg] Иллюстрация к книге — «Черная кошка» Панцерваффе [img_40.jpg]](img/book_covers/077/77236/img_40.jpg)