Книга «Леклерк» и другие французские основные боевые танки, страница 3 – Михаил Барятинский

Авторы: А Б В Г Д Е Ж З И Й К Л М Н О П Р С Т У Ф Х Ч Ш Ы Э Ю Я
Книги: А Б В Г Д Е Ж З И Й К Л М Н О П Р С Т У Ф Х Ц Ч Ш Щ Ы Э Ю Я
Бесплатная онлайн библиотека LoveRead.in

Онлайн книга ««Леклерк» и другие французские основные боевые танки»

📃 Cтраница 3

Производство танков АМХ-30 было завершено в 1981 году. Формально обозначение АМХ-30 относится к опытным образцам машин, серийные же имели обозначение АМХ-30В, однако литера «В» в индексе танка употребляется крайне редко.

Работы по улучшению боевой эффективности танка начались практически сразу же с запуском его в серию. Первым наиболее заметным отличием стала замена спаренного крупнокалиберного пулемета автоматической пушкой калибра 20 мм с боекомплектом 480 снарядов (скорострельность — 740 выстр./мин, начальная скорость снаряда 1050 м/с). Французы пошли своеобразным путем. Вооружить танк малокалиберной автоматической пушкой пытались во многих странах, но в серию запускались танки с пулеметным вспомогательным вооружением. Галлы сделали все наоборот. Тому имелись причины. Ошибочно принято считать, что приоритет в области использования боевых вертолетов принадлежит американцам. На самом деле пионерами стали французы. В Алжире они впервые в мире использовали вертолеты, вооруженные противотанковыми ракетами. Объектами поражения вертолетных ПТУР являлась отнюдь не бронетехника, что, однако, не помешало экспертам правильно оценить возможности перспективного оружия. Пушка на АМХ-30 предназначалась прежде всего для борьбы с маловысотными воздушными целями, в то время как крупнокалиберные спаренные пулеметы других танков выполняли роль своего рода дальномеров. Хорошая в теории идея положительного эффекта не дала. Установка автоматической пушки не была подкреплена интеграцией в прицельный комплекс соответствующих радиолокационных или оптических систем наведения. Тем не менее, 20-мм пушка на АМХ-30 «прописалась» прочно.

Иллюстрация к книге — «Леклерк» и другие французские основные боевые танки [img_12.jpg]

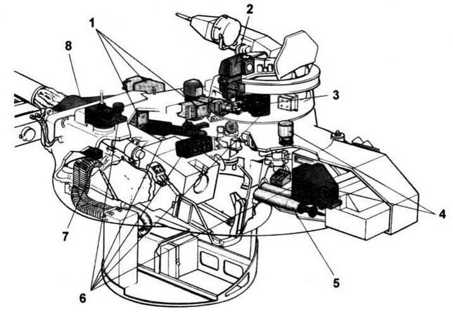
Модернизация башни танка АМХ-30:

1 — телесистема «Томсон-CSF» или тепловизор «Кастор»; 2 — прицел М527; 3 — запасной прицел М496; 4 — навигационная система «Сьюдад»; 5 — укладка новых подкалиберных выстрелов; 6 — элементы системы управления огнем; 7 — дозиметр; 8 — утолщенная маска пушки

Иллюстрация к книге — «Леклерк» и другие французские основные боевые танки [img_13.jpg]

Основной танк АМХ-30В2. На этой машине не установлен ИК-прожектор РН-9-В


Стволы 105-мм орудий серийных танков получили теплоизоляционные кожухи.

В начале 1970-х годов очевидной стала необходимость замены оптического дальномера лазерным, а также установка системы стабилизации орудия в двух плоскостях, пассивных ИК-приборов ночного видения и автоматизированной системы управления огнем.

Танки АМХ-30В под обозначением АМХ-30Е выпускались в Испании с 1974 по 1983 год фирмой «Санта- Барбара».

Иллюстрация к книге — «Леклерк» и другие французские основные боевые танки [img_14.jpg]

Основной танк АМХ-30В2. На маске пушки установлена бронированная коробка с телесистемой «Томсон- CSF»


Модификации танка АМХ-30

AMX-30D

Танки AMX-30D выпускались на экспорт для эксплуатации в странах с жарким пустынным климатом. Ходовая часть закрывалась экранами, которые предназначались, главным образом, для защиты элементов ходовой части от песка и пыли. Мощность двигателя была понижена до 620 л.с., установлена модернизированная коробка передач, ограничивающая максимальную скорость движения до 60 км/ч.

Иллюстрация к книге — «Леклерк» и другие французские основные боевые танки [img_15.jpg]

Модернизация корпуса танка АМХ-30:

1 — прибор ночного видения механика-водителя; 2 — боеукладка новых артвыстрелов фирмы GIAT; 3 — новая аккумуляторная батарея; 4 — вентилятор системы охлаждения; 5 — полуавтоматическая коробка передач ENC 200; 6 — новая гусеница; 7 — новый воздушный фильтр; 8 — модернизированная подвеска; 9 — модернизированные органы управления


АМХ-30В2

Вариант АМХ-30В2 является попыткой «подтянуть» французский основной боевой танк до уровня его собрата-конкурента — германского «Леопарда-1». На АМХ-30В2 механическая трансмиссия с ручной коробкой передач заменена двухпоточной гидромеханической трансмиссией «Baneo»/SESM ENC-200 с полуавтоматической коробкой передач (пять передач переднего и пять заднего хода). Трансмиссию разрабатывали в течение шести лет, начиная с 1962 года, причем в ее конструкции с целью снижения стоимости и сроков(!) разработки использовались узлы американского и швейцарского производства. Вместо оптического установлен лазерный дальномер АРХ М550 с диапазоном измерения дальностей от 320 до 9995 м, точность измерения составляла ±5 м. Лазерный дальномер интегрирован в командирский прицел М427, прицел имеет дневной и ночной (электронно-оптический) каналы. Возможна установка вместо прицела М427 комбинированного дневного/ночного гиростабилизированного прицела М527. Для выработки необходимых для стрельбы данных используется электронная система управления огнем СОТАС. Последняя была разработана для пушечного бронеавтомобиля, первого в мире «колесного танка» AMX-10RC. Ha АМХ-30В2 используется вариант СОТАС М581 (на AMX-10RC — СОТАС М401). Система СОТАС включает телескопический прицел наводчика М544 с 10-кратным увеличением, лазерный дальномер М550, электронный баллистический вычислитель М579 и оптический модуль М421. Интересна оригинальная концепция построения системы управления огнем: нестабилизированная пушка и весьма совершенный независимый гиростабилизированный прицел командира. Американцы на ХМ1 (будущем «Абрамсе») применили диаметрально противоположный подход — стабилизированная пушка и зависимый, достаточно простой прицел командира. Решение французов, на первый взгляд, выглядит странно, но оно куда более обоснованно, чем решение американцев. Поиск цели в скоротечном бою — задача более важная, нежели просто точный выстрел с хода (при стрельбе с места ХМ1 концептуально преимуществ перед АМХ-30В2 не имеет). Условно говоря, на первых «абрамсах» командир является придатком наводчика — шея вертит головой. На АМХ-30В2 голова вертит шеей (командир — наводчиком). Избавится от врожденного недостатка американцы смогли только на М1А2, установив независимый гиростабилизированный прицел командира. Конечно, танкостроители США прекрасно понимали ущербность связанного с орудием командирского прицела, но они, как и их коллеги из Франции, были ограничены в финансовых средствах. Проблемы — одни, пути решения — разные.

Установка новой, более энергоемкой системы управления огнем вызвала необходимость замены аккумуляторных батарей более мощными — емкостью 125 А ч.

Иллюстрация к книге — «Леклерк» и другие французские основные боевые танки [img_16.jpg]

Танк АМХ-30В2 во время учебных занятий на полигоне

Вход
Поиск по сайту
Ищем:
Календарь