Книга Focke Wulf FW190 A/F/G. Часть 2, страница 16 – Сергей В. Иванов

Авторы: А Б В Г Д Е Ж З И Й К Л М Н О П Р С Т У Ф Х Ч Ш Ы Э Ю Я
Книги: А Б В Г Д Е Ж З И Й К Л М Н О П Р С Т У Ф Х Ц Ч Ш Щ Ы Э Ю Я
Бесплатная онлайн библиотека LoveRead.in

Онлайн книга «Focke Wulf FW190 A/F/G. Часть 2»

📃 Cтраница 16
Иллюстрация к книге — Focke Wulf FW190 A/F/G. Часть 2 [pic_138.jpg]

Капот двигателя с внутренними воздухозаборниками наддува. 1. Бортовые створки капота с входными отверстиями воздухозаборника. 2. Бортовые створки. 3. Нижние створки. 4. Верхняя створка.

Иллюстрация к книге — Focke Wulf FW190 A/F/G. Часть 2 [pic_139.jpg]

Радиатор и маслобак в сборе с бронекожухом. 1. Кольцевидный маслобак. 2. Кольцевидный маслорадиатор. 3. Бронирование радиатора. 4. Бронирование бака. 5. Накладка из десяти деталей. 6. Крышка. 7. Маслобак с радиатором в сборе. 8. Термостат. 9. Трубопровод из радиатора. 10. Горловина для заливки масла. 11. Клапан с дренажом. 12. Патрубок, ведущий к маслонасосу. 13. Патрубок от маслонасоса. 15. Сливная пробка. 16. Кронштейны крепления створок капота. 17. Крепежные отверстия для створок капота. 18. Матерчатые заглушки.

Румыния

По данным немецкой разведки, в Румынии после произошедшего там 23 августа 1944 года государственного переворота имелась пара Fw 190, захваченных у немецких частей. Хотя самолеты не были приняты на вооружение, они получили румынские опознавательные знаки и применялись для подготовки пилотов вплоть до 1945 года. В дальнейшем самолеты были конфискованы Советским Союзом в соответствии с мирным договором между СССР и Румынией.

Focke-Wulf Fw 190 А-8 Техническое описание

Одноместный одномоторный свободнонесущий низкоплан с убирающимся шасси. Конструкция самолета цельнометаллическая или смешанная (в зависимости от типа хвостового оперения).

Фюзеляж представлял собой овальную в сечении дюралюминиевую конструкцию. Технологически фюзеляж разделялся на две части: носовую и хвостовую. Несущая конструкция фюзеляжа состояла из 14 шпангоутов, соединенных простыми прямоугольными лонжеронами. В нижней части носовой части имелись вспомогательные полушпангоуты. Обе части собирались по отдельности, а затем соединялись заклепками. Кабина пилота находилась в передней части. Под ней располагались два топливных бака, закрытые снизу одним листом обшивки. Хвостовая часть фюзеляжа в свою очередь состояла из трех частей: двух бортовых и нижней, соединенных заклепками.

Шпангоут № 1 в носовой части фюзеляжа был сплошной, одновременно представляя собой противопожарную переборку. На нем также находились четыре крепления для моторамы.

Переднюю деталь фонаря составляла сварная рама из штампованного стального листа. В раму вставлялось лобовое бронированное стекло толщиной 50 мм и два боковых ламинированных стекла. Заднюю часть фонаря образовывал легкий каркас из стальных трубок, заканчивающийся дюралевым обтекателем. Сам фонарь штамповался из плексигласа. Внутри него стояла 12-мм бронеплита, защищавшая голову и плечи пилота. Всю крышку фонаря можно было аварийно отстрелить с помощью порохового заряда.

Иллюстрация к книге — Focke Wulf FW190 A/F/G. Часть 2 [pic_140.jpg]

Топливная система. 1. Передний главный топливный бак. 2. Задний главный топливный бак. 3. Вспомогательный бак. 4. Подвесной бак. 5. Бак для пускового бензина. 6. Горловина главного топливного бака. 7. Горловина пускового бака. 8. Соединительный бензопровод. 9. Долив 10. Дренаж. 11. Перелив. 12. Топливный насос в сборе. 13. Бензопровод от бака к бензонасосу. 14. Крап. 15. Бензопровод от бензонасоса к фильтру. 16. Фильтр. 17. Бензопровод от фильтра к насосу. 18. Бензонасос двигателя. 19. Бензопровод от бензонасоса до впрыска. 20. Впрыск. 21. Карбюратор «Бош». 22. Обратный бензопровод. 23. Дренажный бензопровод. 24. Перелив бензонасоса. 25. Бензопровод системы холодного пуска 26. Объединенный бензопровод. 27. Перекрывающий кран. 28. Бензонасос заднего бака. 29. Переключатель перекачки топлива. 30. Точка разделения топлива. 31. Бензопровод из вспомогательного бака в задний бак. 32. Воздуховод от наддува двигателя в подвесной бак. 33. Крепление клапана высокого давления. 34. Контрольный кран. 35. Насос ЕР-1Е. 36. Бомбодержатель ЕТС501. 37. Фиксирующая рейка подвесного бака. 38. Крепление дополнительного бака. 39. Впрысковый насос SUM АР-20. 40. Бензопровод пускового бензина. 41. Распределительный бензопровод. 42. Воздуховод сжатого воздуха. 43. Контур указателя давления в топливной системе. 44. Переключатель контроля давления. 45. Приборная доска. 46. Ручка омывателя лобового стекла. 47. Бензопровод. 48. Распыляющие трубки. 49. Фонарь. 50. Шпангоут № 1 (противопожарная переборка). 51. Шпангоут № 8.

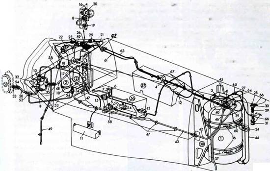
Иллюстрация к книге — Focke Wulf FW190 A/F/G. Часть 2 [pic_141.jpg]

Устройство GM 1 (Rucstsatz 4 — R4). 1. Баллон с закисью азота. 2. Баллон со сжатым воздухом. 3. Клапаны для заполнения системы. 4. Выключатель, автоматический предохранитель. 5. Конечный переключатель. 6. Кнопка. 7. Выключатель. 8. Электрический клапан. 9. Электрический управляющий клапан. 10. Электрический дренажный клапан. 11. Муфта у соединения фюзеляж-крыло. 12. Электрическая муфта. 13. Электрическая муфта. 14. Электрический разделитель. 15. Электрическая муфта. 16. Основание-опора крепления клапанов. 17. Основание баллона с сжатым воздухом. 18. Ремешки, крепящие баллон. 19. Фильтр. 20. Редуктор. 21. Воздуховод сжатого воздуха. 22. Соединение между баллонами. 23. Воздуховод, соединяющий баллон с фильтром. 24. Наружный клапан для заполнения баллона. 25. Фильтр. 26. Возвратный клапан. 27. Воздуховод низкого давления. 28. Воздуховод сжатого воздуха. 29. Фильтр. 30. Предохранительный клапан. 31. Ручной выпускной клапан с выводящим воздуховодом. 32. Основание. 33. Впрыск закиси азота. 34. Клапан обогатителя смеси. 35. Фильтр. 36. Горизонтальные ремни крепления бака с закисью азота. 37. Вертикальный ремень крепления бака. 38. Ложе бака. 39. Клапан наполнения бака. 40. Дренажный клапан системы наполнения. 41. Заглушка. 42. Трубопровод закиси азота. 43. Трубопровод закиси азота. 44. Трубопровод наполнения бака. 45. Трубопровод закиси азота. 46. Выпускной трубопровод… 47. Кронштейны трубопроводов. 48. Изолированный заполняющий трубопровод. 49. Трубопровод быстрого сброса давления. 50. Изолированный заполняющий труборовод. 51. Левый впускной каши. 52. Тройник. 53. Металлический трубопровод. 54. Муфта трубопроводов. 55. Моторама. 56. Левая бортовая консоль. 57. Правая бортовая консоль. 58. Держатель ручки газа. 59. Тройник. 60. Трубопровод сжатого воздуха. 61. Трубопровод сжатого воздуха. 62. Трубопровод низкого давления. 63. Трубопровод низкого давления. 64. Ответвление к клапанам. 65. Тройник. 66. Основание комплекта кранов. 67. Обойма крепления трубопроводов.


Внутри кабины располагались три листа 5-мм брони, кроме того, спинка кресла штамповалась из 8-мм бронированного листа. У бронированных вариантов A-8/R7 и R8 дополнительные 30-мм панели из бронестекла стояли по бортам в районе головы пилота. Кроме того, снаружи к борту крепился дополнительный 5-мм лист брони. Спереди пилота защищали два бронированных листа толщиной 15 и 4 мм, расположенные под прямым углом друг к другу.

Вход
Поиск по сайту
Ищем:
Календарь