Книга Лестница жизни. Десять великих изобретений эволюции, страница 62 – Ник Лэйн

Авторы: А Б В Г Д Е Ж З И Й К Л М Н О П Р С Т У Ф Х Ч Ш Ы Э Ю Я
Книги: А Б В Г Д Е Ж З И Й К Л М Н О П Р С Т У Ф Х Ц Ч Ш Щ Ы Э Ю Я
Бесплатная онлайн библиотека LoveRead.in

Онлайн книга «Лестница жизни. Десять великих изобретений эволюции»

📃 Cтраница 62

Как именно трилобиты выращивали кристаллы для своих хрусталиков, располагая их все под строго определенными углами, неизвестно — и, скорее всего, известно не будет, потому что последние трилобиты исчезли во времена пермского вымирания (около 250 миллионов лет назад). Но гибель трилобитов, последовавшая после столь продолжительного периода процветания, не означает, что у нас нет возможности узнать, как вообще могла возникнуть подобная система. Один ключ к разгадке этой тайны был получен в 2001 году из довольно неожиданного источника. Судя по всему, хрусталики трилобитов не уникальны, как считалось: одному современному морскому животному из класса офиур, как оказалось, тоже помогают видеть хрусталики из кальцита.


Иллюстрация к книге — Лестница жизни. Десять великих изобретений эволюции [img_23.jpg]

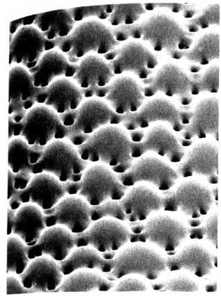
Внутренние поверхности кристаллических хрусталиков из глаз трилобита Dalmanitina socialis из ордовикских отложений Богемии (Чехия). Диаметр одного хрусталика около полмиллиметра.

Существует около двух тысяч видов офиур. У каждой офиуры имеется пять рук, как и у большинства морских звезд — их родственников, но, в отличие от морских звезд, руки у офиур очень длинные и тонкие, похожие на змеиные хвосты (отсюда и их название, означающее по-гречески “змеехвостки”). Скелет офиур сложен из сцепленных друг с другом кальцитовых пластин, которые, кроме того, образуют у них на руках шипы, помогающие этим хищникам хватать своих жертв. Большинство офиур нечувствительны к свету, но один вид, Ophiocoma wendtii, ставил исследователей в тупик своей способностью удирать при приближении опасности в какую-нибудь темную щель, находясь даже на расстоянии метра от нее. Загадка была в том, что у этих офиур нет глаз — по крайней мере, так все считали, пока исследователи из “Белл лабораториз” не заметили на руках этого животного группы кальцитовых бугорков, напоминающих хрусталики трилобитов. Ученые показали, что эти бугорки действительно играют роль хрусталиков, фокусируя свет на расположенных под ними светочувствительных клетках. Оказалось, что хотя у этих офиур нет настоящего мозга, у них все-таки имеются функциональные глаза. В журнале “Нэшнл джиографик” об этом открытии написали так: “По прихоти природы в морях у звезд есть глаза”.

Как образуются хрусталики у офиур? Хотя многие детали еще предстоит выяснить, ясно, что образуются они в целом так же, как и другие минерализованные структуры живых организмов, например иглы морских ежей (тоже состоящие из кальцита). Процесс начинается внутри клеток, где ионы кальция, накопленные в большой концентрации, взаимодействуют с белками, закрепляющими их в определенном положении, создавая “закваску” (точно так же в Советском Союзе один-единственный оптимист, вставший у входа в пустой продуктовый магазин, порой играл роль “отца-основателя” длинной очереди). Достаточно одному человеку или атому встать на определенном месте, как к нему начинают пристраиваться другие.

К вящей славе редукционизма, если очистить белки, отвечающие за создание “закваски” кристаллов кальцита, и нанести их на лист бумаги, а затем поместить в насыщенный раствор карбоната кальция, то прямо на этом листке вырастут безупречные кристаллы в форме ромбоэдров с оптической с-осью, направленной перпендикулярно бумаге, совсем такие же, как хрусталики трилобитов. Косвенные данные даже указывают, как изначально могли возникнуть такие хрусталики. Дело в том, что выбор конкретного белка не имеет особого значения: достаточно, чтобы из его молекулы торчали кислые боковые группы. Еще в 1992 году, за десять лет до того, как были открыты хрусталики офиур, биоминералоги Лия Аддади и Стивен Вайнер сумели вырастить на листе бумаги очаровательные кальцитовые ромбоэдры, используя для этого кислые белки, выделенные из раковин моллюсков, у которых определенно нет никаких глаз. Иными словами, каким бы удивительным ни был этот процесс, он может от начала до конца идти самопроизвольно, если смешать обычные белки с обычными неорганическими веществами. Это и в самом деле удивительно, но не требует никаких чудес, кроме тех, благодаря которым образовались фантастические друзы кристаллов, встречающиеся во многих подземных полостях (вспомним, например, Пещеру Мечей в Мексике).


Иллюстрация к книге — Лестница жизни. Десять великих изобретений эволюции [img_24.jpg]

Кристаллические хрусталики офиуры Ophiocoma wendtii, расположенные на скелетных пластинках на верхней стороне каждой руки, защищающих ее сочленения.

Иллюстрация к книге — Лестница жизни. Десять великих изобретений эволюции [img_25.jpg]

Ромбоэдрические кристаллы кальцита, выросшие на помещенном в насыщенный раствор карбоната кальция листке бумаги с нанесенными на нее кислыми белками из раковины моллюска. Оптическая с-ось, соответствующая единственному направлению, в котором свет проходит сквозь кристалл, не рассеиваясь, направлена перпендикулярно бумаге.

Хотя глаза с кристаллическими хрусталиками обеспечивали трилобитам довольно острое зрение, это был тупиковый путь.

Они важны прежде всего в историческом плане, как первые настоящие глаза, а не как один из долговечных шедевров эволюции. Другие животные научились использовать с той же целью другие кристаллы, в частности гуанин (один из “строительных блоков” ДНК), который может образовывать плоские кристаллы, позволяющие фокусировать свет. Кристаллы гуанина придают рыбьей чешуе ее серебристый блеск, и именно поэтому гуанин добавляют во многие косметические средства. Его можно найти и в гуано (от которого гуанин и получил свое название)- засохших экскрементах птиц или летучих мышей. Похожие органические кристаллы работают в живой природе как зеркала: именно они, например, придают кошачьим глазам зеркальный блеск. Такие кристаллы улучшают ночное зрение, отражая свет обратно на сетчатку и тем самым давая рецепторам еще один шанс уловить немногие попадающие в глаза фотоны. Другие зеркала отражают свет на сетчатку, создавая на ней изображение. Именно так устроены многочисленные прекрасные глаза морских гребешков, выглядывающие из-под щупалец у краев створок их раковины. Для фокусировки света в них используется вогнутое зеркальце, расположенное под сетчаткой. В фасеточных глазах многих ракообразных, в том числе раков и креветок, свет также фокусируется за счет зеркал, тоже состоящих из органических кристаллов, аналогичных гуаниновым.

Однако в целом эволюция больше полагалась на хрусталики, сделанные из особых белков, и именно они принесли ей больше всего славы. Были ли они тоже изготовлены кустарным способом из попавшихся под руку материалов, которые уже выполняли в организме какие-то другие функции? Хотя про эволюционную биологию иногда говорят, что, будучи исторической наукой, она не знает сослагательного наклонения, на самом деле она позволяет формулировать вполне конкретные и проверяемые предположения. В данном случае теория предполагает, что белки хрусталика должны были первоначально использоваться в организме для чего-то другого: специализированные белки хрусталика никак не могли возникнуть прежде, чем возник сам хрусталик.

Вход
Поиск по сайту
Ищем:
Календарь