Книга Справочник. Правильный ремонт от пола до потолка, страница 60 – Владимир Онищенко

Авторы: А Б В Г Д Е Ж З И Й К Л М Н О П Р С Т У Ф Х Ч Ш Ы Э Ю Я
Книги: А Б В Г Д Е Ж З И Й К Л М Н О П Р С Т У Ф Х Ц Ч Ш Щ Ы Э Ю Я
Бесплатная онлайн библиотека LoveRead.in

Онлайн книга «Справочник. Правильный ремонт от пола до потолка»

📃 Cтраница 60

В случае, когда давление в сети мало (ниже 0,85 атм), можно порекомендовать монтаж на вводе в квартиру так называемого повышающего насоса. Но учтите, что установка такого насоса требует обязательного согласования в соответствующих инстанциях.

Правильная работа канализационных линий не требует использования дополнительного оборудования. Однако надо помнить, что трубы, отводящие стоки, необходимо укладывать с уклоном (1,5–4 %) в сторону стояка. При достаточно длинной трубе это может вызвать трудности, ведь незаметно ее не проведешь и под стяжкой не спрячешь.

И наконец, отметим, что для монтажа сантехнических приборов все чаще стали применяться специальные каркасные конструкции со всеми необходимыми фитингами. Эти устройства ускоряют монтаж, гарантируют качество работы систем, но главное – дают возможность размещать приборы не только на стенах или в непосредственной близости от них, но и в любом другом месте. А в результате планировку ванной комнаты и туалета удается сделать необычной.

При проведении сантехработ желательно использовать надежную (проверенную годами, опытом других людей) продукцию. Довольно трудно сориентироваться в огромном количестве труб и предметов оборудования, представленных на рынке (особенно если учесть, что предлагается великое множество подделок). Поэтому необходимо знать хотя бы некоторые параметры нужных вам изделий.

Давление в квартирных стояках холодного и горячего водоснабжения может достигать 10 атм при температуре 70–80 °C (обычно эти цифры меньше). Так что все оборудование должно быть рассчитано на параметры, характерные для сети вашего дома. Поинтересуйтесь, на какое рабочее давление и какую рабочую температуру рассчитаны шаровой кран, редуктор давления, трубы, фитинги. В целях унификации и во избежание ошибок при монтаже для холодной и горячей магистралей лучше купить одинаковое.

В большинстве случаев металлопластиковые трубы рассчитаны на рабочую температуру 95 °C при давлении 10 атм и являются универсальными, то есть могут применяться как для холодного и горячего водоснабжения, так и для отопления.

Коллекторы выпускаются как со встроенными запорными кранами, так и без них, они могут иметь отводы на две, три и четыре линии. При большем количестве линий предлагается коллекторы свинчивать друг с другом.

В качестве запорной арматуры чаще всего используют шаровые краны. Обычно они рассчитаны на давление не менее 35 атм при максимальной рабочей температуре 95 °C.

При выборе фильтров обратите внимание на диаметр ячеек сетки или картриджа. В квартирах обычно используют фильтры с ячейками не более 100 микрон.

Счетчики расхода воды можно использовать любые, рассчитанные на применение в системах или холодного, или горячего водоснабжения. Главное, чтобы они были сертифицированы соответствующими органами. Обязательное условие – наличие в сопроводительном паспорте прибора печати с датой поверки.

Иллюстрация к книге — Справочник. Правильный ремонт от пола до потолка [i_009.jpg]

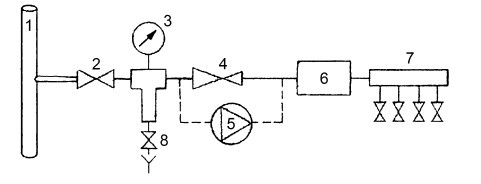
Рис. 6. Схема подключения сантехприборов:

1 — стояк холодного или горячего водоснабжения; 2 – шаровой кран;

3 – фильтр грубой очистки воды; 4 – редуктор давления;

5 – насос (при его установке редуктор не ставится); 6 — счетчик расхода воды; 7 – коллектор; 8 – слив в канализацию.


Приобретая насос для повышения давления (если он необходим), обратите внимание на такой параметр, как напор, создаваемый насосом.

Монтаж. В процессе монтажа системы обычно заменяются стояки горячего и холодного водоснабжения, а при необходимости и канализационный стояк. Однако не забывайте, что любое вмешательство в инженерные сети дома требует обязательного согласования в эксплуатирующих организациях. Заготовки новых стояков, как правило, выполняются заблаговременно, а затем монтируются за 1–2 часа. В городских квартирах новые стояки обычно изготавливаются из стальных оцинкованных труб. Стояки желательно заменять полностью, от пола до потолка, еще лучше поговорить с соседями, которые живут над вами и под вами, и произвести замену нескольких этажей. Все отводы лучше делать сварными. Рекомендуется производить заготовки стояков на полуавтоматическом сварочном оборудовании с использованием метода «двойного шва» (один сварной шов накладывается поверх другого). При этом обеспечивается высокая герметичность соединений и срок службы всего изделия не менее 25 лет.

Шаровой кран на водовводе в квартиру необходимо ставить непосредственно на отвод от стояка, а не после старого вентиля отечественного производства с резиновой прокладкой и набивным сальником. Нередко этот вентиль не срезают, а ставят шаровой кран после него, что позволяет не отключать воду во всем доме на время монтажа. Но впоследствии ненадежный старый вентиль может потечь.

Сборку резьбовых стыков лучше производить с использованием льноволокна (в просторечье – лен или пакля) с уплотнительной пастой. Сейчас в продаже подобных паст достаточно много. Можно также применять специальные уплотнительные нити.

После окончания монтажа стояков сварные и резьбовые стыки необходимо загрунтовать и затем «одеть» в теплоизоляцию. Теплоизоляция препятствует образованию конденсата на трубах, тем самым снижая их коррозию.

Отдельная тема – замена канализационного стояка. Чугунный канализационный стояк с расколотыми фасонными частями и разгерметизировавшимися стыками – не очень приятный «подарок» новоселу. К тому же такой стояк зачастую не позволяет осуществить перепланировку санузла. Обычно чугунный стояк заменяют полипропиленовым. Старый удаляется полностью, от пола до потолка, причем у потолка оставляют отрезок длиной около 10 см, на который затем надевается специальный переходник «чугун – полипропилен». Он включает в себя полипропиленовый патрубок и комплект из двух уплотняющих прокладок специальной формы.

Замену канализационного стояка нужно производить сразу же после монтажа стояков холодного и горячего водоснабжения, пока они еще не заполнены водой. Это позволит избежать слива большого объема канализационных стоков с верхних этажей. Предпочтительное время работ – с 10 до 15 часов, в период наименьшей загруженности канализационного стояка.

Стояки горячего и холодного водоснабжения не рекомендуется замуровывать, поскольку это сделает их практически недоступными для ремонта. Их следует по возможности размещать в сантехническом шкафу.

Следующий этап работ – разводка труб к каждой точке водопотребления. При разводке по коллекторной схеме удобно пользоваться модульными или модульными комбинированными коллекторами (коллектор со встроенными запорными кранами). Это позволяет вводить сантехприборы в эксплуатацию по мере их установки, а также перекрывать воду отдельно для каждого прибора (например, при его выходе из строя), не воздействуя на работу всей системы.

Разводку канализационных труб необходимо выполнять с соблюдением уклонов в сторону стояка, по возможности избегая резких поворотов. Для стиральной машины надо установить сифон (гидрозатвор), который исключит проникновение канализационных запахов в прибор и помещение.

Вход
Поиск по сайту
Ищем:
Календарь