Книга Гемба кайдзен. Путь к снижению затрат и повышению качества, страница 56 – Масааки Имаи

Авторы: А Б В Г Д Е Ж З И Й К Л М Н О П Р С Т У Ф Х Ч Ш Ы Э Ю Я
Книги: А Б В Г Д Е Ж З И Й К Л М Н О П Р С Т У Ф Х Ц Ч Ш Щ Ы Э Ю Я
Бесплатная онлайн библиотека LoveRead.in

Онлайн книга «Гемба кайдзен. Путь к снижению затрат и повышению качества»

📃 Cтраница 56
Иллюстрация к книге — Гемба кайдзен. Путь к снижению затрат и повышению качества [i_033.jpg]

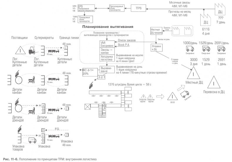
Рис. 11-6 иллюстрирует видение будущего состояния, которое было внедрено за первый год проекта.

Производительность линии начала расти, и после первого месяца обучения этот рост достиг целевого показателя 27 %. Теперь в компании ежедневно проводились кайдзен-собрания рабочих и руководителей низшего звена – они проходили в информационном уголке рядом со сборочной линией. Люди начали видеть результаты своего труда: показатели производительности, эффективности, качества и соблюдения графика улучшались изо дня в день.

Проект по организации вытягивания был призван изменить подход к размещению заказов у поставщиков. Ранее одновременно с заявками-заказами на отгрузку на неделю или месяц составлялся прогноз на шесть недель. Теперь прогнозы составлялись на восемь недель с учетом ситуации за истекший период, а поставщики получили возможность самостоятельно планировать загрузку мощностей на своих предприятиях. Заявки-заказы на неделю и месяц, увязанные с MPS, были отменены. Им на смену пришли заявки-заказы на день, которые составлялись по результатам вытягивания. Запас деталей проверяли ежедневно, и, когда он опускался ниже уровня пополнения, составлялся новый заказ, обычно на то количество изделий, которое было израсходовано за день. При этом был введен пилотный замкнутый маршрут («молоковоз») для доставки деталей от поставщиков, до которых было менее шести часов езды. Большинство поставщиков уже поставляли часть своей продукции ежедневно и без труда перешли на ежедневную отгрузку материалов и комплектующих.

Продукция поставщиков из более отдаленных регионов поступала не так часто – максимальный интервал между поставками составлял неделю.

Работа по улучшению цепочки поставок пришлась на 2005 год. К концу года были проведены TFM-преобразования на сборочных линиях. В 2006 году они распространились и на линии окончательной сборки. Изменения ключевых показателей эффективности за 2004–2006 годы были таковы:

• совокупные запасы (сырье, незавершенное производство и готовая продукция) уменьшились с 50 до 30 дней;

• доля внутренних дефектов снизилась с 12 000 до 5750 деталей на миллион;

• уровень обслуживания потребителей повысился с 93 до 98,5 %;

• график выпуска продукции (сборка) теперь соблюдался на 92 % (ранее на 50 %);

• производительность выросла с 70 до 94,5 деталей/оператор;

• эффективность линии конечной сборки повысилась с 75 до 101 %.


К концу 2005 года (первый год реализации проекта) стало ясно, что цепочка поставок на базе системы вытягивания открывает новые горизонты. Первые результаты после стагнации 2000–2004 годов помогли компании A по достоинству оценить новую парадигму.

Проект придал импульс преобразованиям, и в конце 2005 года компания разработала новую стратегию на ближайшие семь лет до конца 2012 года. Она включала следующие составляющие:

Вытягивание на производстве. Включает все инструменты обеспечения потока на производстве и во внутренней логистике. В первые два года основное внимание уделялось конечной сборке, в дальнейшем система будет распространена на всех внутренних поставщиков. Цель – оптимизировать все логистические 2 и 3 типа (см. главу 2) с помощью инструментов TFM.

Вытягивание при поставках. Включает все инструменты обеспечения потока во внешней логистике, применимые к поставкам. В первые два года основное внимание уделялось местным ДЦ. Цель – обеспечить функционирование всех зарубежных ДЦ на базе VMI. Кроме того, планируется распространить модель TFM на ДЦ и оптимизировать логистический маршрут первого типа (обслуживание конечного потребителя – от заказа до поставки). Это означает совершенствование системы перевозок и работы ДЦ.

Вытягивание при снабжении. Включает все инструменты обеспечения потока во внешней логистике, применимые к снабжению. В первые два года основное внимание уделялось поставщикам, которые обеспечивали деталями и комплектующими линии конечной сборки. В дальнейшем планируется распространить данную модель на всех поставщиков и создать на складе ячейки для всех деталей.


Сегодня в компании A убеждены, что результаты работы завода будут улучшаться из года в год благодаря кайдзен. Развертывание новой модели – работа, в которой участвуют все, – позволяет людям уверенно смотреть в будущее. Поток на основе вытягивания из теории превратился в практический подход, применяемый в гемба, и этот подход изо дня в день повышает конкурентоспособность компании.

Глава двенадцатая
Система «точно вовремя» в компании Wiremold

В этой главе на примере компании Wiremold показано, как была решена проблема создания гибкого производства путем внедрения системы «точно вовремя».

Предприятие было создано примерно сто лет назад в городе Вест-Хартфорд, штат Коннектикут. На двух его главных производственных линиях выпускаются устройства управления проводными сетями и стабилизаторы напряжения. Под руководством Арта Бирна, который в сентябре 1991 года стал новым президентом компании, началось повсеместное внедрение гемба кайдзен с особым упором на систему «точно вовремя».

У меня была возможность посетить Wiremold спустя пять месяцев после начала внедрения гемба кайдзен и обстоятельно побеседовать с Артом Бирном, а также с Фрэнком Джанатасио, вице-президентом по производству. В течение первых пяти месяцев им удалось высвободить приблизительно 40 % производственных площадей на одном заводе. Уровень запасов, включая сырье, незавершенное производство и готовые изделия, снизился более чем на 20 %. Коэффициент оборачиваемости капитала увеличился на 30 %, и ожидалось, что производительность труда к концу года вырастет на 25–30 %.

После пяти месяцев время цикла, составлявшее ранее приблизительно шесть недель, уменьшилось до одной.

Было очевидно, что внедрение гемба кайдзен за очень короткий период времени привело к огромным результатам. В ходе этих бесед я получил наглядное представление о том, как система «точно вовремя» реализуется на практике.

Имаи: Какие изменения произошли в методах ведения вашего бизнеса после того, как была внедрена система «точно вовремя»?

Джанатасио: Раньше компания Wiremold осуществляла свою деятельность на основе прогнозов. Мы рассчитывали предполагаемый уровень потребления, на основе чего разрабатывали планы производства партий нашей продукции и с запасом на несколько месяцев производили готовые к потреблению объемы, которые и размещали на складе. Потом эта продукция реализовывалась за определенный период времени, иногда в соответствии с нашим прогнозом, иногда в количестве, превышающем его, а порой в меньших объемах, чем было запланировано. В результате у нас скопились малоподвижные и дорогостоящие запасы.

Вход
Поиск по сайту
Ищем:
Календарь