Книга Баня, сауна. Строим своими руками, страница 11 – Иван Никитко

Авторы: А Б В Г Д Е Ж З И Й К Л М Н О П Р С Т У Ф Х Ч Ш Ы Э Ю Я
Книги: А Б В Г Д Е Ж З И Й К Л М Н О П Р С Т У Ф Х Ц Ч Ш Щ Ы Э Ю Я
Бесплатная онлайн библиотека LoveRead.in

Онлайн книга «Баня, сауна. Строим своими руками»

📃 Cтраница 11
Кирпичные стены

В кирпичных банях стены кладутся в четверть либо в полкирпича, затем выполняются утепление и система пароизоляции. У них есть свои сторонники и противники. Я рекомендую вам сооружать такую баню в случае, когда она будет пристраиваться к жилому либо хозяйственному сооружению. Дело в том, что из-за высокой теплопроводности кирпичные стены, особенно в сравнении с деревянными, действительно хуже сохраняют тепло, и спасти ситуацию может лишь продуманная и массивная теплоизоляция.

Сразу перечислю достоинства кирпичных стен. Они крайне прочные, им не страшен огонь, равно как гниение и подтачивание насекомыми. Самое главное, на такие стены можно уложить железобетонные перекрытия, что важно для оригиналов, которые намерены расположить над пристроенной к основному массиву баней летнюю комнату, бильярдную либо зимний сад.

Работая с кирпичом, банные стены можно сделать красивыми. Из него можно выложить различные конфигурации стен, в том числе разнообразить облик бани ажурными декоративными элементами.

Используя огнеупорный кирпич, можно не опасаться печи-каменки, кроме того, внутри такой стены несложно устроить вентиляционный канал либо дымоход. Однако есть и очень существенный с точки зрения банного строительства недостаток. Теплопроводность кирпича крайне низка. Такую баню сначала сложно разогреть, а затем охладить. Именно высокой теплоемкостью кирпича объясняется его ощутимая тепловая инерция.

Он не всегда хорош в качестве материала для возведения бани еще и потому, что, отсыревая, быстро разрушается, особенно зимой, когда на него увеличиваются температурные нагрузки (притом что кирпичные стены и без того нуждаются в капитальном ремонте каждые 25 лет).

Кирпич — тяжелый материал, следовательно, чтобы избежать скорой деформации стен, вам придется очень серьезно отнестись к устройству фундамента, делая его мощным. Необходимо также хорошо просчитать максимальную глубину промерзания грунта.

Кроме того, кирпичные стены бани должны быть как можно более толстыми. Например, в Подмосковье — не менее 52 см.

Следует помнить и о том, что к отделке кирпичных стен можно приступать не ранее чем спустя год по окончании строительства. За более короткий промежуток времени они не успеют осесть.

Скорее всего, для кладки стен банного сооружения вы приобретете самый распространенный кирпич — глиняный красный. Сразу оговорим, что вам могут предложить и желтый, выдав его за пригодный для оформления стен, но помните, что он сугубо облицовочный.

Еще одна градация кирпичей — по пустотелости. Полнотелый кирпич — это сплошной массив. Пустотелый — с круглыми либо прямоугольными сквозными дырочками. Именно благодаря им показатели последнего по теплоемкости выше, нежели у полнотелого. Кирпичи имеют два размера:

25 × 12 × 6,5 см и 25 × 12 × 8,8 см.


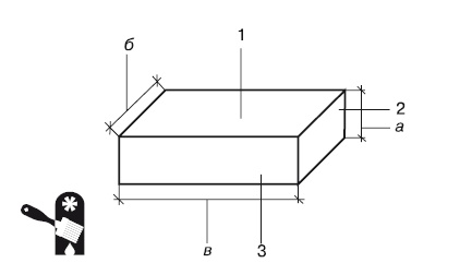
Дальше будут разбираться несколько видов кирпичной кладки, однако сначала нужно освоить терминологию каменного дела. Нижняя и верхняя постель — это широкие грани кирпича (рис. 3.9). Ложок — длинная боковая грань, тычок — короткая боковая грань. Соответственно, когда говорят о ложковом ряде, имеют в виду ряд кирпичей, выложенных вдоль стены длинной стороной, а когда о тычковом — выложенных поперек стены. Верста — наружный ряд кладки, забутка — внутренний (как правило, он выкладывается из бракованных кирпичей, битых и со сколами).

Иллюстрация к книге — Баня, сауна. Строим своими руками [i_032.jpg]

Рис. 3.9. Основные части кирпича: 1 — постель; 2 — тычок; 3 — ложок; а — в четверть кирпича; б — в полкирпича; в — в кирпич


Существует и такая разновидность кирпича, как керамический камень. Это большой пустотелый кирпич объемом 25 × 12 × 3,8 см.

Запомните: желательно в целях повышения прочности кладки предварительно увлажнить кирпич. Поскольку обычно строительство ведется в теплое время года, его достаточно полить из лейки либо положить на какое-то время в ведро с водой. Если вы возводите баню все-таки зимой, смачивать кирпич не нужно, иначе кладка будет очень долго сохнуть.

Теперь собственно о видах кладки. Правило для кладки любого вида: прочность стены зависит от того, насколько тщательно вы соблюдаете однорядную либо многорядную перевязку. Под однорядной кладкой подразумевается последовательное чередование ложковых рядов с тычковыми либо их комбинации (рис. 3.10). Скажу сразу, что это будет сложно для человека, выполняющего такие работы впервые. Кроме того, придется запастись большим количеством кирпичей-трехчетвертинок для выкладывания углов.

Иное дело многорядная перевязка (рис. 3.11). Ее смысл заключается в следующем: от трех до пяти ложковых рядов приходится на один тычковый, а сам по себе «рисунок» шва становится элементом декора. Если вы хотите усилить эффект декоративности, можно выполнить кладку лицевых поверхностей по трех-пятирядной системе, причем так, чтобы швы были сквозными и направлялись вертикально. Здесь пригодится и облицовочный желтый кирпич. Из него можно выполнить версту. (Еще один секрет мастерства: если делать ложковые и тычковые ряды из кирпичей разных цветов, получится симметричная кладка в полосочку.)

Какую бы кладку вы ни выполняли, есть общие правила. Прежде всего, ширина швов не должна превышать 1 см. Каждые два-три ряда кладки непременно проверяем ее горизонтальность. Если нужно что-то подправить, делаем это за счет утолщения либо заужения шва, постепенно распределяя раствор на нескольких рядах. Кроме того, важно, чтобы швы заполнялись полностью. Расшивать их, то есть придавать им выпуклую, вогнутую либо треугольную форму, нужно немедленно, пока раствор не высох. И в любом случае кладка всегда ведется от угла дома с первого тычкового ряда лицевой версты.

Иллюстрация к книге — Баня, сауна. Строим своими руками [i_033.jpg]

Рис. 3.10. Способы однорядной перевязки кирпичной кладки: 1 — ложковая; 2 — тычковая; 3 — цепная; 4 — крестовая; 5 — готическая; 6 — голландская

Иллюстрация к книге — Баня, сауна. Строим своими руками [i_034.jpg]

Рис. 3.11. Типы многорядной перевязки: 1 — трехрядная; 2 — четырехрядная; 3 — пятирядная


Выполняя порядовку кладки в полтора кирпича (с простенками, углами и четвертями проемов), обязательно используйте не полнотелый, а пустотелый кирпич, заложив по краям оконных и дверных проемов (с каждой стороны) по две деревянные пробки величиной с полкирпича и обернув их слоем рубероида. Это понадобится для последующей установки дверных и оконных коробок. Их перед установкой в проем также изолируют рубероидом.

Поверьте, вы ничего не потеряете в теплоизоляционных показателях. От тридцатиградусного мороза вас защитит либо кирпичная кладка с воздушным промежутком (толщина стены — примерно 56 см), либо кладка с внутренним утеплением (толщина — примерно 37 см), либо колодцевая кладка с засыпкой (толщина — от 52 до 58 см) (рис. 3.12–3.14). Для сравнения: толщина стены, выполненной сплошной кладкой из пустотелого кирпича, получится 51 см.

Вход
Поиск по сайту
Ищем:
Календарь