Книга Шестое вымирание, страница 45 – Джеймс Роллинс

Авторы: А Б В Г Д Е Ж З И Й К Л М Н О П Р С Т У Ф Х Ч Ш Ы Э Ю Я
Книги: А Б В Г Д Е Ж З И Й К Л М Н О П Р С Т У Ф Х Ц Ч Ш Щ Ы Э Ю Я
Бесплатная онлайн библиотека LoveRead.in

Онлайн книга «Шестое вымирание»

📃 Cтраница 45

Эдмунд кивнул.

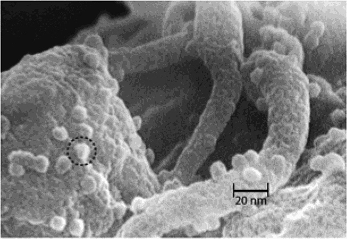
– Я измерил размеры частиц, поселившихся на поверхности инфицированных волокон сердечной мышцы. Этот снимок, полученный с помощью электронного микроскопа, позволяет получить объемную картинку.

Иллюстрация к книге — Шестое вымирание [_09.jpg]

Новый снимок показал отдельные вирусы, гнездящиеся на ветвящихся пучках мышц и нервах. Внизу экрана имелась шкала, позволяющая определить размеры частиц.

– Получается, они меньше десяти нанометров, – заметила Лиза. – Это же вдвое меньше самого маленького известного вируса!

– Вот почему я предложил свою помощь, – вмешался Линдаль, локтем отстраняя Эдмонда. – Чтобы получить более четкую картинку, я сопоставил данные анализа белка, полученные микробиологами. По этим данным и с использованием запатентованной мною программы я составил трехмерное изображение капсида, наружной оболочки вируса.

Иллюстрация к книге — Шестое вымирание [_10.jpg]

Лиза всмотрелась в сферическую модель инфекционной частицы. Тонкая работа Линдаля произвела на нее впечатление, и она даже была готова смириться с его заносчивостью.

– Это внешнее лицо нашего чудовища, – сказал Эдмунд. – Генри уже занят генетическим анализом того, что скрывается внутри.

Доктор Генри Дженкинс был генетиком из Гарвардского университета.

– Но уже по одному капсиду мы можем экстраполировать многое, – не обращая на него внимания, продолжал Линдаль. – Достаточно для того, чтобы утверждать, что это искусственная конструкция. Под белковой оболочкой мы обнаружили волокна графена, толщиной всего в два атома, сотканные в гексагональный узор.

Он вывел на экран рядом с предыдущей картинкой новое изображение, показывающее заразную частицу без наружной оболочки, под которой было видно сложное переплетение.

Иллюстрация к книге — Шестое вымирание [_11.jpg]

Определенно, это было похоже на что-то искусственное. Лиза постаралась определить значение этих рукотворных волокон. Графен является необычайно прочным материалом, более прочным, чем паутина.

– Можно подумать, – сказала она, – что доктор Хесс пытался создать под белковой оболочкой некое подобие кевларового слоя.

– Совершенно верно, – повернулся к ней Линдаль. – Тонко подмечено. Возможно, именно этой дополнительной структурой объясняется стабильность вируса. К настоящему времени уже установлено, что он устойчив к воздействию щелочей, кислот и даже огня.

Однако до сих пор не было ответа на более важный вопрос: что защищает эта необычайно прочная оболочка?

– Судя по всему, доктор Хесс создал идеальную оболочку, настолько маленькую, что она способна проникать в любые ткани, – продолжал Линдаль. – В животную, растительную, в грибы. Возможно, именно размеры и структура определяют универсальную патогенность вируса.

Лиза кивнула, вспоминая землю, стерилизованную неизвестным организмом на глубину двух футов.

– Но зачем Хесс создал этот вирус? – спросила она. – С какой целью?

– Вы знакомы с ПВЧ? – спросил Линдаль.

Лиза покачала головой.

– Мы как раз обсуждали эту тему перед вашим приходом, – объяснил Эдмунд. – Эта аббревиатура расшифровывается как «пустые вирусоподобные частицы». Это совершенно новая область экспериментальных исследований: от вируса отделяется ДНК, и остается только наружная оболочка. Данные работы имеют большой потенциал в части создания новых вакцин.

Лиза все поняла. Пустые частицы вызывают сильную антигенную защитную реакцию, но при этом абсолютно без риска заболеть.

– Однако это еще только самое начало, – сказал Линдаль. – Имея пустую оболочку, можно строить что-то свое. Добавлять любые органические и неорганические компоненты, как, например, эти графеновые волокна.

– И, создав такую оболочку, – добавил Эдмунд, – можно заполнить ее любыми чудесами или ужасами, какими только вздумается. Другими словами, идеальная оболочка становится идеальным средством доставки.

Лиза снова вгляделась в лицо чудовища.

«Что скрывается внутри?»

– И вы полагаете, что доктору Хессу удалось добиться чего-то подобного? – спросила она. – Что он в своей лаборатории создал с чистого листа этот вирион и поместил в него что-то?

Линдаль откинулся назад.

– Такие технологии уже давно существуют. Еще в две тысячи втором году группа ученых из института Стоуни-Брук синтезировала живой вирус полиомиелита, имея под рукой лишь химические реактивы и генетическую схему.

– Эти работы спонсировались Пентагоном, – тяжело вздохнул Эдмунд.

Лиза уловила в его голосе явное обвинение. Исследования доктора Хесса также финансировались военными.

Линдаль пропустил эти слова мимо ушей.

– А в две тысячи пятом году в другой лаборатории был синтезирован более крупный вирус гриппа. В две тысячи шестом году такой же результат был достигнут в отношении вируса Эпштейна-Барра, у которого такое же число основных частей, как и у вируса ветряной оспы. Но все это детские игры по сравнению с тем, с чем мы имеем дело сегодня. В настоящее время ученые могут искусственно строить организмы размерами в сто раз больше, причем относительно дешево. – Он презрительно фыркнул. – Синтезатор ДНК можно свободно купить через Интернет.

– Так что же именно вложил в оболочку доктор Хесс? – спросила Лиза.

Однако прежде чем кто-либо успел ответить, у нее зажужжала рация. Судя по реакции ученых, они также это услышали.

Это был Пейнтер. Уловив в его голосе возбуждение, Лиза поймала себя на том, что у нее чаще забилось сердце.

– Только что пришло сообщение из Йосемитского парка, – доложил Кроу. – Женщина, подозревавшаяся в диверсии, мертва.

«Мертва…»

Лиза закрыла глаза, думая о Джоше. Эми Серпри была единственной ниточкой, единственным путем выяснить подробности об исследованиях доктора Хесса.

– По предварительным данным, – продолжал Пейнтер, – она, скорее всего, умерла от того же заболевания, с которым мы имеем дело здесь. Национальная гвардия и отряды быстрого реагирования выехали на место, чтобы оцепить комплекс «Авани». Возможно также, что у нас появились новые жертвы заражения. Рейнджер Бек и сержант-комендор Дрейк. И собака.

«Только не это…»

Пейнтер продолжал, изложив дополнительные инструкции относительно мер предосторожности. Центру контроля заболеваний предстояло к возвращению двух предполагаемых жертв заражения оборудовать в ангаре еще одну карантинную зону.

Когда он закончил, Лиза переключилась на выделенный канал.

Вход
Поиск по сайту
Ищем:
Календарь